[a / b / c / d / e / f / g / gif / h / hr / k / m / o / p / r / s / t / u / v / vg / vm / vmg / vr / vrpg / vst / w / wg] [i / ic] [r9k / s4s / vip] [cm / hm / lgbt / y] [3 / aco / adv / an / bant / biz / cgl / ck / co / diy / fa / fit / gd / hc / his / int / jp / lit / mlp / mu / n / news / out / po / pol / pw / qst / sci / soc / sp / tg / toy / trv / tv / vp / vt / wsg / wsr / x / xs] [Settings] [Search] [Mobile] [Home]
Board
Settings Mobile Home
/diy/ - Do It Yourself


Thread archived.
You cannot reply anymore.


[Advertise on 4chan]


File: Yaesu.jpg (102 KB, 684x960)
102 KB JPG
Lazy Edition: Random Wires
https://udel.edu/~mm/ham/randomWire/


Previous Thread: >>2960056


>New to /ham/? Read this shit!
http://www.arrl.org/what-is-ham-radio
https://www.fcc.gov/wireless/bureau-divisions/mobility-division/amateur-radio-service
>Your search engine of choice works well too!

>The wiki is down but is archived
https://archive.is/PjR5s
>NEW FAQ is updated to preview 15
https://files.catbox.moe/aftx43.htm

>Idiot's Guide to Coax Cable
https://www.pcs-electronics.com/guide_coax.php
>Looking for frequencies to monitor near you?
http://www.radioreference.com
>Basic Rx loop fundamentals
https://www.w8ji.com/magnetic_receiving_loops.htm
>DIY SWL Mag. Loop
http://www.kr1st.com/swlloop.htm
>Small Tx Loop
http://webclass.org/k5ijb/antennas/Small-magnetic-loops.htm
>In Depth Loop articles
http://www.kk5jy.net/magloop/
>Homebrew RF Circuits
https://www.qsl.net/va3iul/Homebrew_RF_Circuit_Design_Ideas/Homebrew_RF_Circuit_Design_Ideas.htm
>NEW Library
https://mega.nz/file/UCgEGAjb#rwNcnMAQCUUbSp8supsFvn9QEHCWUW86eLcZa16ZG4Y

>Online Practice Tests:
http://aa9pw.com/
https://hamstudy.org/
https://hamexam.org/
> Real-Time Propagation Data
http://prop.kc2g.com/
>Space Weather
https://www.swpc.noaa.gov/communities/radio-communications
>WSJT-X Home Page
https://wsjt.sourceforge.io/wsjtx.html
>Homosexual (ft8) guide
https://www.g4ifb.com/FT8_Hinson_tips_for_HF_DXers.pdf
>APRS
http://www.aprs.org/
>Weather Fax resources
https://www.weather.gov/media/marine/rfax.pdf
https://weatherfax.com/stations/
>point to point predictions, its free and will give you an idea of how much power/ what frequencies to use to reliably talk to your friend
https://www.voacap.com/hf/
>how do I into Morse code in a good way?
https://pastebin.com/HByjfN4F

>Shortwave radio schedule
https://shortwave.live/
>>
>>
File: hamster.jpg (988 KB, 2602x1608)
988 KB JPG
CQ CONTEST!
>>
File: chad scanner.jpg (1.32 MB, 2683x2207)
1.32 MB JPG
Chad Scanning
>>
File: IMG_1359.jpg (39 KB, 648x474)
39 KB JPG
I’ve got a Cobra 148 GTL mobile setup, with a spare coax. Say I wanna buy an antenna to put on the side of my house and do a base station setup to get the most range I can possibly get. What kind of money am I looking at?
>>
wow you guys are really going ham
>>
File: midwest_nov_1936a.jpg (2.96 MB, 2550x3458)
2.96 MB JPG
>>
File: radios.jpg (92 KB, 469x607)
92 KB JPG
>>
File: 1760709574938884.png (8 KB, 800x462)
8 KB PNG
Epstein files proved it: antenna jews want you to waste your money on DXing. Don't give them your money to do it.
>>
>>2974189
so... I'm not supposed to give my money to the "antennajooos", but I am supposed to give it to the "wirejoooos"? you don't make any sense,
>>
>>2974214
You don't get scrap wire? I got thousands of feet just from cutting off cords from vacuums people are throwing away. And it's all free.
>>
>>2974159
How would I find out if anyone in my area had ham radios that I could talk to without first buying a ham radios to listen in first?
>>
>>2974280
Buy a cheap RTL-SDR and start listening in.
>>
>>2974159
I read these threads and watch S2 underground and everything looks too complicated. What would I need, why would I need it, when would I use it?
>>
File: ...---#.. ...k'a.jpg (74 KB, 1136x673)
74 KB JPG
How long is the 'really long wire', is there a specific ratio to run from the cuck shack, or just as long as possible? Does the tree interfere with the signal?
>>
>>2974280
See >>2974281 and https://haminfo.tetranz.com/map

Also look at repeater book and program put in the frequencies into memory on your sdr.
>>
>>2974293
A long wire antenna is a really crappy antenna. It does the job, but it's terrible at it. Depending on the length, it'll be better at certain bands. Go with a half wave with the band you want to work the most. The long wire meme I fell for when I first started (all you need is 100 watts and a wire.) I couldn't get anything on 10-17 meters. 20m was a pain to get any contacts but I got them. It wasn't until 40m when I got some decent results. Got better results on 80m. 160m I did have minimal results with ft8, but they were terrible. I don't remember the length I had it.

That image is wrong on the unun. What you want on that one is a 49:1 since i. You go 9:1 if you have a counterpoise which makes it a random wire instead. Also, unless you have it up in the open, you're going to have an object interfering. Even then, things can interfere with it still like someone's charge controller for their solar panels on their house since almost all of them spit out dirty RF. You just do what you need to do to minimize it like, again, putting it out in the open.
>>
what is cheaper to run a cb radio with without problems? (at home)
charger -> car battery -> radio
dedicated radio supply -> radio
>>
>>2974215
so you are stingyjooo.
>>
>>2974322
A dedicated power supply. Chargers are RF noisy. If you're running legal power CB, all you need is a 3 amp PS.
>>
>>2974331
ok. as i understand, a linear power supply is best.

now i think this cb is txing 21w with ssb (president grant export, 120ch(3x40), roger beep version)
so, if i count correctly i'd need at least 2 amps on 13.8 volts which gives about 27 watts
would this work?
>>
File: pyramid.png (324 KB, 504x373)
324 KB PNG
>>2974322
This is standard.
>>
File: IMG_1904.jpg (128 KB, 1024x762)
128 KB JPG
I know nothing about base stations for a CB.
I’ve got a spare coax, but when it comes to antennas, and dipoles and whatever- I have no clue what I’m doing. Like if I wanted to reach out as far as possible, would I be fine mounting a 102” whip in a tree or something?
>>
File: ARES1.jpg (58 KB, 512x682)
58 KB JPG
It's dangerously freezing outside. Stop starting fires and making people homeless just to make yourself feel relevant.
>>
Got my first coms, some old uniden UHV handhelds.

Still not really sure how to use them. Push to talk is easy enough and I can set the Channels on the general use bands without much issue. It's squelch just to dial out interference?

These things can do far more then I expected, so I'm not really sure what to do with all these extra features.
>>
i finally managed to receive some 1200 baud POCSAG here in France. with my trusty QuanChang uv k5.

anyone knows more about this shit?

for example:
there is a message which repeats every minute between 35 seconds to about 45 seconds of the minute.
"TONE ONLY" and its in the numeric type.

then you have a few messages around the minute 56 seconds or 02 that said 946 but these came about only 4 times and they use the alphabetic mode (alpha)

assuming i'm decoding them correctly it seems like no one is even using this shit so the "TONE ONLY" is like a heartbeat.

nonetheless the IJV firmware includes a BYP (bypass mode) which outputs discriminator type audio (disables de-emphasis so decoders can interpret the messages correctly) and the messages seem to be captured.

since the "TONE ONLY" message sounds the same all the time (same length and as far as i can tell, same thing) and that it comes in at around the same time. i suspect no one is using this anymore.

anyway i'm glad that i can finally decode some digital stuff with this radio.
firmware version: IJV MOD 3.60
>>
>>2974483
cont:

i think the problem is i was monitoring only one frequency.
there are 6 and they don't behave the same it seems.
>>
>>2974387
this is standard
>>
>>2974415
If you’re excited now, wait till you find the “on” switch after putting in batteries!
>>
File: IMG_1929.jpg (163 KB, 1178x933)
163 KB JPG
>>2974498
How?
>>
>>2974508
me know how... me want chance.
>>
so, should i just build a collinear coax antenna?
it has fat omni-directional gain and is cheap for a poorfag like me.

the antenna jew wants me to pay probably 300 when i can make it for 15
whats the catch?
>>
btw. put this in the sticky

>https://www.eznec.com/
>FREE - EZNEC Pro+ v. 7.0 is now available! - FREE
>>
https://youtu.be/oIv9oW2KK6A
>>
>>2974557
Labor: building, testing, and tuning. Also, owning the equipment to build and test.
>>
>>2974634
of course.
i still have to get an swr meter and an antenna tuner, other than that i have almost everything.

anyways, why is this "coco" coax collinear antenna not shilled more?
apparently many repeaters use more advanced variations of the collinear antenna (folded dipoles etc) because of strong horizontal omni-directional gain.
it seems like a no-brainer no?
>>
So all these guys on CB that’s coming in from halfway to across the other side of the US- do they all have like really expensive base station setups or something?
I’ve got a 102 whip with a Cobra mobile setup, and nobody can hear me clearly,
>>
>>2974697
https://www.youtube.com/watch?v=daKDu6FT2Xs
>>
>>2974697
They run 10 meter amps into beams. Either 100 watts or a low thousands of watts. This is not allowed by the Part 95 rules but nobody is coming for the keydown crowd.
>>
>>2974697
https://www.youtube.com/watch?v=cb-Q_1izYQE
>>
>>2974697
https://www.youtube.com/watch?v=YOIjPLl7e0w
>>
>>2974697
https://www.youtube.com/watch?v=nYfhckRikfQ
>>
File: 1752898080322261.png (1.74 MB, 1920x1147)
1.74 MB PNG
I thought the conditions for FM DXing seemed decent enough today but the real test is being failed. Only a faint trace of this station from 137KM away.
>>
>>2974738
Neat. I've experienced meteor scatter in the FM band but no enhanced condx.
>>
>>2974742
I wanted to get set up to do long term lossy compressed recordings of empty FM frequencies to look for meteor scatter. I saw a guy on YouTube doing it with Cool Edit or something and I figured it could be way more efficient with a SDR and compression. Combing through in an audio editor like he did would be just as easy with 96k opus files or whatever. Trying to actually ID anything would be insanely difficult though. It's hard enough during Sporadic E when I can get extended recordings of stations from stations in China, Thailand, Vietnam etc.
>>
>>2974701
>They run 10 meter amps into beams
What are beams? So if I grab a little 100w amp, how far would that put me out with say a whip?
>>
>>2974649
It's a lot of work stripping and soldering all that. You need to waterproof all of it to, because water ingress will cause all sorts of swr problems.
>>
Here's an example/build instructions:
https://k5frc.org/training/coliner%20antenna.pdf

I came across one at a garage sale once, but didn't buy it. The guy must have spent a week on it, but it was well made.
>>
Has anyone actually tested the frequency range on which you can transmit on the quansheng radios? I know they're designed for 2 meters and 70 centimeters and people say if you go too far outside those the transmit power drops to unusable levels but has anyone actually tested? FRS/GMRS, MURS, Business band, Marine VHF?
>>
>>2975016
I’ve seen a YouTube video on the topic before. A quick search brings up a video by Ben M7FRS, but I don’t know if that’s the one I saw.
>>
>>2975016
>>2975032
Power drops aren't really what you should be worried about as much as spurious transmissions on other frequencies while you are doing it. Be careful.
>>
a transmitter is just a giant flashlight
a receiver is just a giant camera sensor
>>
>>2975082
Oh yeah, you’d definitely want to add a filter to that, considering you’d probably need an amplifier anyhow. But it’s odd, the chip itself is fully capable of transmitting at a wide range of frequencies, so the only source of those harmonics is the amplifier. I guess wide-band RF amplifiers are hard to make? I wonder if any (cheap) handheld radios are actually usable at arbitrary frequencies?
>>
>>2975092
Thinking about it some more, class-C and class-D RF amplifiers are resonant and low-loss, so are better for where efficiency matters (battery powered radios especially of varying power levels) but are inherently narrow-band. On the other hand, class-A and class-B RF amplifiers are linear, and so less efficient, especially when transmitting at less than full power, but are inherently able to be wideband. I doubt any handheld radio uses a linear amplifier for this reason, rather they just tune their resonant amplifiers to work at the 70cm/2m bands or whatever it is they operate on.

Ideally you’d have a switching amplifier like an audio class-D, but they need to be able to switch at much higher than your maximum transmit frequency. Maybe this is possible for some HF bands, but the high switching speed might make its efficiency comparable to a linear amp anyhow. Pushing into the hundreds of MHz with power switches of any kind seems unreasonable, though with GaN HEMTs with their sub-nC gate charges it looks almost feasible, at least for HF.

Anyone have any other thoughts on the matter? Is my conception of the amplifier topologies about right?
>>
>>2975116
This is the basis for truSDX and some kit from the QRPguys.
>>
File: E.png (48 KB, 403x320)
48 KB PNG
>>2975221
Huh, it's called a class-E amplifier, and is apparently high efficiency (85% plus). Seems like it's still a resonant type of antenna, and while it can sorta adjust its output frequency, the harmonic content is pretty awful so it requires an output filter tuned to each band it's used on. So as with the trusdx, you need a bulky array of relays and LC elements to cover multiple bands.
Class-B amplifiers are supposed to be able to get close to 78% efficiency, I wonder how hard it is to get close to that? I wonder if anyone's done an RF class-G or class-H amplifier? Even just having a class-B amplifier with a variable supply rail to efficiently adjust output power might be worthwhile. Be nice to have a dirt-simple handheld radio with a linear amplifier that can transmit on arbitrary frequencies without worrying about a filter for every band.

Switched capacitor amplifiers are also looking interesting.
>>
File: Filter20m.png (28 KB, 701x300)
28 KB PNG
>>2975271
>the harmonic content is pretty awful so it requires an output filter tuned to each band it's used on.
It is a square wave, so yes, plenty of harmonics. Seems some prefer band pass filters that also block specific harmonics.
>>
File: Meh.jpg (61 KB, 550x367)
61 KB JPG
I don't know nuffin about radios. I have a radio controlled watch. Couldn't someone emulate the signal and mess up the time?
>>
>>2975297
Well the LC circuit means it’s not a square wave but a rounded and uneven wave, despite the square wave into the transistor gate, I think. But maybe I’m getting it confused with class-C. I don’t think it’s PWM’d but they might be messing with duty-cycle.

>>2975367
Definitely possible, assuming it’s using the old WWVB and not GPS. In fact I’m fairly sure some guy on YouTube made his own transmitter so he can get a signal in his basement.
FYI it is illegal to knowingly interfere with legitimate radio broadcasts.
>>
tl;dr how to make loaded coil dipole for 160m

I think I may start on finally rebuilding my old fan dipole when it starts warming up. This time, I'm adding in 160m. The problem? Not enough room. Solution? I can use loading coils. That presents an issue: the information I have is absolute crap and everything I see on it is basically gibberish or they just go into how many times to make a turn on the coil while not mentioning the size of the pvc pipe they are using, gauge of the wire, approximately how long to make the wires before and after the coil, the height it'll be hung up (20 ft) etc. I will give credit that they say to put the coil in the center of the elements for best results.

Anyone got a particular resource that explains this to someone who is dumb, preferably not a video?

inb4 use an ATU. I already do with my ocfd, but I prefer it to be as close to resonant as possible for the bands I'm going to be working. I know that coils make the bandwidth for 160m extremely narrow, hence why I will use an ATU for it. Also, in the future, I may just get a radio with a built in ATU, and if I can at least get the SWR down to 3:1 then that would be grand.
>>
Explain repeater channels to me, I'm stupid.

Do you broadcast a signal to the repeater on those channels, does the repeater broadcast on those channels, or do you just use the channel for everything if you have a repeater?

Can you use other people's repeaters? Is there a cost or etiquette or some kind of public use repeater?
>>
>>2975394
>Well the LC circuit means it’s not a square wave but a rounded and uneven wave, despite the square wave into the transistor gate, I think. But maybe I’m getting it confused with class-C. I don’t think it’s PWM’d but they might be messing with duty-cycle.
The output from the transistors are intended to be as square as you can get but the filters will turn that into something very close to a sine wave, simply by removing as much as possible of as many harmonics as possible. Just do a FFT of a quare wave and you will see.
>>
>>2975493
>repeater channels
Are you referring to GMRS? Analog repeaters, you listen on one frequency and transmit on another. When you transmit on that frequency, the repeater will "repeat" it on the listening frequency.

Digital is different. You transmit and listen on the same frequency. However, you transmit it on one half of the frequency, while listening on the other half.
>>
>>2975455
A short antenna has capacitive reactance and the capacitive reactance can be tuned out with a coil. The overall length of the shortened antenna will be determined by the amount of inductance in the coil.
(refer to section IX of document directly below)
https://www.hamuniverse.com/basicantennas.pdf

https://www.66pacific.com/calculators/coil-shortened-dipole-antenna-calculator.aspx
>>
>>2975367
It's a 60kHz signal so it's kind of a pain in the ass to effectively transmit (low frequency = big antenna). It could be done, but it's not worth the hassle just to set some people's watches and clocks wrong. Cell towers and shit use GPS and wouldn't be affected.
>>
>>2975552
>low frequency = big antenna
You'd just use a magnetic loop antenna, not like the watch will be picking up any of the electric field. Sure your range goes off by inverse cube instead of inverse square, but that's not an issue when you're just trying to interfere in a small area. The harder part would be stopping the real WWVB signal from getting through.
>>
File: 1357 dipole.jpg (196 KB, 1080x2049)
196 KB JPG
>>2975455
160? Nah, try 2200 and not with coils. You are not a real ham until you make this dipole.
>>
>>2974159
What's going on with this vanity call mess which is a ripple effect of the government shutdowns?
Can anyone make heads or tails of the extensions? The AE7Q and K2CR sites show different data and neither are correct.
>>
>>2974159
Qrd on "world radios"; are they worth it?
>>
File: 1735185244851.png (218 KB, 720x720)
218 KB PNG
Ground has thawed early this year. Going to dig a hole and put up a 30ft amazon flagpole to use as an antenna mast.
>>
My thinkpad t470 battery is dying, replacements are $40 from china. I only used it for browsing, sdr etc. On the offchance is there something with 2 usb port some ram and and os that's perhaps used purely for capturing noaa image transmissions or meteor that you lot know about. I'll lose my mobility without the laptop battery and really, i'm penny pinching a mobile solution, thanks.
>>
>>2976216
[ ] capture NOAA images
[ ] pinch pennies
you may choose only one.
>>
>>2976216
Get a powerbank. It has a thunderbolt port so you should be able to power it off of that and it is useful for powering other devices as well.
>>
>>2976216
the $40 battery will be the cheapest way to make it usable again, anon
>>
>>2974162
I love you
>>2974387
Look up no sodder CB dipole.
If you do sodder it is much easier. I have a plastic project box with my Pl 259 connector, it looks just like the Balun in
>>2974162 picture but it is not. I wish I could ship you an antenna. Because im am making about 2 a weekend.
>>
File: Wull.jpg (2.36 MB, 3072x2304)
2.36 MB JPG
>>2976144
>a 30ft amazon flagpole
How about 256 flagpoles in a circle? Like pic. related?
>>
>>2976269
Man, you could talk to autistic boomers living on the fucking moon with that setup. Does everyone still send out post cards as proof you spoke with someone really far away? I don't like talking to people, period. Never saw the appeal of playing a bunch of money for equipment just to speak with someone that collects barbed wire and runs HO scale train for fun.
>>
>>2976304
that's an elephant cage listening post.
>>
quansheng uv k5 10-11-12m TX mod (yes, TX)

https://www.youtube.com/watch?v=-r0eDCDEofg
>>
>>2976269
To think that Rudolph Hess may have taxied his Me on the remains of that taxiway on his fateful trip to England in 1941.
>>
>>2976304
>Does everyone still send out post cards as proof you spoke with someone really far away?
I do. QSL collecting is a part of the hobby I enjoy. No e-QSL's.
>>
>>2976360
CB is back, baby!
> reading the rules, need to transmit vast distance
> find a loophole…
There is no restriction on the amplification of the incoming signal! Distance problems solved!
>>
File: al.jpg (59 KB, 661x885)
59 KB JPG
>>2976388
>what is the noise floor?
You have to get around amplifying all the noise in addition to the signal, though.
>>
Have you ever made contact with your bros on /diy/ ?

t. doesn't know what the fuck all of this is
>>
>>2976460
> amplifying the noise
Filters. I one heard (here) that the main difference in a motorola or yæsu and a quansheng isn’t the chipset, it’s the quality, design, and number of poles in the analog filter array.

Also, you can get around the distance limitation by exchanging omnidirectIonality for focusing with the same wattage for both transmitting and receiving.

Some enlightened districts have changed the rules to encompass transmitting signal “density” (I’ll call it) which technically prevents it, but is nigh well unenforceable.
>>
>>2976471
I just looked up packet radio and that shit is super cool. Maybe this could be a fun hobby
>>
seems like the cellphone killed the radio.
but it could never kill the killer feature of radio which is obviously communication autonomy.

basically a vicious plan to take the radio and to pervert it into a one pseudo-full duplex device completely dependent on cell infrastructure to function.
>>
at least if there could be a freeband for gsm communication people could put up their own gsm base station but that is of course too much to ask for.
>>
i suppose everyone should get quanshengs with messenger functionality and set up repeaters on pmr and just stop using cell phones.

if only 5% of all people started doing that, independent repeater networks would spring up on a massive scale.
encryption could be implemented in firmware doesn't even have to be perfect considering 2g gsm encryption has been broken for a long while now. nobody seems to care much.

the point is not to overthrow some government anyway so some basic encryption is enough and cheaper.
>>
File: 1713482055220778.png (149 KB, 700x700)
149 KB PNG
>>2976492
I run my own pocsag paging system. I have about 95% coverage of my city. I don't carry a phone, just a pager, and its my own infrastructure.
You can just do these kind of things if you want.
>>
>>2976532
thats nice
pocsag seems pretty robust, i've heard it inside basements in small town, didnt do any decoding there because no discriminator output but it seemed clear.
which baud rate do you use?
>>
>>2976532
the network i heard was a scandinavian pocsag network probably government run. i dont know how many watts they send out but it was loud and clear to my ears.
>>
Are any radio protocols robust against simultaneous transmissions on overlapping frequencies? I suspect LoRa-like chirps might be able to be discriminated from one another if they’re overlapping, so long as you don’t have any ambiguity with regards to two signals crossing one another. It would still reduce your SNR though. Ideally you’d be able to pick out a weak signal transmitted at the same time as a quiet signal.

But maybe this is silly, and frequency hopping is just the ideal method even for low-power long-range low-baud comms.
>>
>>2976316
It is well known that Wullenwebers are good for listening and direction finding, but it is less known (and not a secret) that these are also good for directive transmissions too.
>>
>>2976642
true but they were mostly used for listening.
>>
File: Ham transmit flowchart.jpg (162 KB, 1024x725)
162 KB JPG
https://www.bigcountryhomepage.com/news/coleman-fd-seizes-improperly-programmed-two-way-radio/
>>
>>2975506
That explained nothing of what I needed to know. Thankfully, I found a resource that did explain it in a dumb downed way and not in an autistic wall of text.
>>
>>2976776
K
>>
>>2976776
By the way you responded I think you're the autistic one
Sorry to be the bearer of bad news
>>
>>2976864
We're on 4chan on a thread about ham radio, I don't think there's any of us that haven't been touched with the tism
>>
>>2976776
>>2976864
>>2976942
Ham radio is an autistic hobby anyway.
>>
>>2976942
>>2976979
I think being a licensed ham radio operator is a more reliable certification for autism than a psychiatric diagnosis
>>
>not autistically stimming by pressing he press-to-talk button over and over again, repeatedly kerchunking the repeater
>>
>>2976994
what if you're a cb'er only?
>>
File: 8620.jpg (70 KB, 787x420)
70 KB JPG
bought a re-branded version of this power supply. basically same supply with a different branding.
its certified by nordics, germany and austria and the manufacturer was into radios before doing power supplies.

considering the certs and history, i bet that it doesn't interfere with radio sets.

also it was fairly cheap at 20 euros considering he said it was never used and is new.
>>
>>2977076
also they have a NSN (national stock number). don't know how much that is worth but it seems like a military catalog of dependable things.
>>
File: whiner ns.webm (146 KB, 1280x688)
146 KB WEBM
>>2976713
>>
File: manchild.jpg (46 KB, 413x413)
46 KB JPG
>>2977116
>>
>>2976478
It is a very fun hobby there are so many avenues to go down, you can send images, emails or even tweet over radio with aprs, learn morse, contact unusual and far away countries, get outside and do pota and sota in parka and mountains, also you'll be in demand if shtf
>>
File: 20260217_201449.jpg (267 KB, 1024x768)
267 KB JPG
I was thinking about making a radio and some guy at a gun show had a box full of radio dials but he wouldn't sell them piecemeal so I bought all of them
Anybody ever make something simple? Like a 1 or 2 tube am receiver. Don't really know anything about radios tbqh
>>
>>2977166
This. It's hobby of hundreds of hobbies.
>>
>>2976979
I was a military Morse code operator, and I suspect more than half of the people I trained with were on the spectrum. I also suspect several of the officers, people who happily accepted rather crazy stuff as long as we could get that message across, no matter the jamming.
>>
>>2977179
A lot of plastics simply degrade over time, or look fine but become very brittle so be careful

You need the thing those dials attach to… likely a big rotational plate variable capacitor to build a radio.
>>
>>2977179
For simple radio receiver construction ideas, look thru the massive radio book and magazine collections on WORLD RADIO HISTORY site.

Especially the decades ?1941-1981) RADIO CONSTRUCTOR archive:
https://www.worldradiohistory.com/Radio_Constructor_Magazine.htm
>>
>>2976994
I'm not into the ham side of things at all. But if you spot me walking around outside pointing the whip antenna of my radio in different directions trying to hear things you'll just know. Or if I get in your car and you're listening to AM radio and I start ranting about how it only sounds bad and gets a negative rap because the filter width on these radios is too narrow. I guess a broadcast engineer who does not have autism could start talking about such things but they're a dying breed don't you think?
>>
>>2977399
You do not have autism: you are just a professional nerd.
>>
>>2977179
I've made cw Pixies, you can build from 10 usd on ebay but they're only morse
>>
>>2977399
>engineer
>not having autism
In all seriousness I just use the autism thing as a joke, I think things like that are severely diagnosed and really don't help anyone, I certainly have some traits like that but I'm fairly well adjusted man with professional job and 3 kids, I've never been tested for anything. I think if you tested most engineers or accountants etc they'd be somewhere on the spectrum but then most hairdressers you could diagnose with bpd probably, it's just different personality types
>>
>>2977425
Meant to say severely over diagnosed
>>
>>2977422
I do have legit autism. I was in denial about it for a long time. Perhaps you could say that's the only reason I found any success in life. If you refuse to believe something is "wrong" with you then you can't use it as an excuse for your failures, right? But after all of that comes reflection about how I managed to make it in a world that wasn't made for me. Denial brought me that far but it was time for an honest assessment.

>>2977425
I probably could get a diagnosis but I don't think it could help me. In childhood all the experiences with attempts to "help" me only made things worse. The adults couldn't seem to understand that I actually liked pacing back and forth on the playground alone and trying to force people to be friendly to me did nothing. Out of a room of 100 people maybe 5 of them will end up liking me and 3 of them will be total normies. Some people that seem to be similar to me end up being my mortal enemies. Being naturally introverted I'm fine with this. Either we connect or we don't.

Now I'm a married professional. Nothing that led me to this was normal or suggests stability. But all the choices I made and the things I hyperfixated on gave me knowledge that made a career possible. The exact kind of career I imagined having when they asked me what I wanted to be when I grow up in the 1st grade, working with radio/TV stuff.
>>
>>2977427
>I do have legit autism
>I probably could get a diagnosis
Pick one. Self-diagnosing doesn't count.
>>
>>2977432
I could have just lied and said I got a diagnosis and you wouldn't be on my nuts about it. It's not like I'm trying to put myself in some special category because I think it's cool. It's quite shitty in many ways. You missed the point.

What is a diagnosis going to do except possibly get me labeled as less of a human being capable of making my own decisions? Is the person diagnosing me going to help me somehow? I really doubt it. I could go into detail about some other things, making a ham radio thread into my entire autobiography instead of just a couple of posts about myself, to make some gigafaggot (You) on the internet happy but that accomplishes nothing for me.
>>
>>2977065
This means you are gay and only looking for truckstop hookups. Duh.
>>
>>2977453
I thought all the lot lizards advertising their wares on there were females. Times change I guess.
>>
>>2977425
>>2977426
>>2977427
>>2977439
This is not an autism support thread. Take your autistic shit somewhere else.
>>
>be me
>new to radio stuff
>create a "dipole" with a twist tie
>connect it to a cheap sdr
>first thing I hear is my neighbor watching porn on 863 MHz
Yeah, this is awesome :^)
Anyway, what is the cheapest/dumbest way to create an antenna for HF?
>>
>>2977505
Random wire antenna
>>
>>2977505
This >>2977527 or end fed half wave.
>>
>>2977505
i just made a full wave loop for 11m.
i haven't put a balun yet and i have not even measured SWR on it so txing is out of the question for now but in terms of rx it works fairly well.

this antenna hangs inside of a courtyard inside an old building and reception sucks but i manage to get channel 6 superbowl channels from florida and alabama.
i'm in southern france.
i think it is somewhat directional because its facing west for now

however 27.555 usb is mostly quiet for me. i mean, i can hear some people but its unintelligible. same with channels 36-40 lsb, some conversations but mostly unintelligible and faint.

i will try facing it east soon.
its basically a triangle formation that looks more like a V with the feed down at the bottom.

the building complex i live in has an attic and im allowed to put an antenna there but that is like three floors up so i need to get some long enough coax first.
>>
also it works the best in the afternoon. in the night its almost nothing.

also channel 11 works but as with channel 6, these guys are pushing thousands of watts but its good to know that the antenna+radio is not totally deaf considering the walls around it are out of brick.
>>
right now i'm picking up americans on 38 lsb as well and i can even understand what he says. but he is starting to disappear. as often is i only hear him and not who he talks to.
it must be the solar activity cycle since the antenna is definitely not the reason, lol. skip times
>>
just decoded some ft8 on channel 26.
>>
>>2977586
ignore the frequency, it makes no difference it seems since its microphone input anyway.

it was received on 27.265 (channel 26)
>>
and just like that, the sun went down and so did 11m for me.
>>
What's the best way to prep for the General and Extra tests in present day? I might go to Dayton this year and that would be a good time for me to take the tests.
>>
>>2977940
Idk about Americans, I took a ham cram course that prepares me for the exam with two full-day classes, run for free at a local community college. Basically everyone passed. All we did is go through a study guide that covered all the possible questions in the exam, there was also an exam generating online tool we could use for practice tests. You could absolutely go through that sort of study guide yourself, but the class helped us bounce ideas off each other and the instructors had good ways of remembering things.
>>
>>2977940
I read the godawful ARRL books for them. Then, I downloaded this app and took each section quiz over and over until I memorized the questions and answers and passed perfectly three times in a row. Go to the next section and repeat. After that, take sample test until I miss no more than two. Then, do it every day until test.

I only missed two questions on general, and four on extra.
>>
>>2977999
And I forgot to include the pic of the app. Here it is.
>>
so are LiFePo4 batteries the new meta for radio?
i keep seeing them sold as replacement for lead acid.
>>
>>2978101
I use some in portable, they are ok, lighter than lead for the same capacity and about the same voltage, Li-ion was too low or too high
>>
>>2978111
i also read they have overcharging protection built in.
does that mean i can leave the charger on for a while if i don't monitor it?

i've never even seen one of these yet.
>>
File: file.png (1.01 MB, 1200x1200)
1.01 MB PNG
>>2978113
The 12V packs should have a BMS : battery management system to prevent :
- overdischarge (too low voltage)
- overcharge (too high voltage)
- over current for load : limits the current for the load or cuts the load if it needs too much current
- over current for charge : limits the charge current
- cell balancing : as cells are in series to provide 12V, some of them can charge more and/or discharge faster. Each cell is made equal to the others
>>
>>2977999
>>2978001
Thanks anon. I think I just prepped with the ARRL books for the technician test but it was a long time ago now. You're right, they're not great. Not that memorizing the test pool is much better hahah
>>
>>2978117
Memorizing the questions and answers is what most are suggested to do anyway. It's much easier to learn when you have the license to operate and make mistakes without some boomer in the club breathing down your neck.
>>
>>2978101
LiFePo4 has a lot of really nice advantages you should look into. The biggest downside is the need for new chargers/maintainers.
>>
>>2978101
Compared to Li-NMC they're less energy dense but safer and can handle more charge-discharge cycles. But drop-in replacement lithium deep cycle batteries typically still need lithium-specific chargers, and they're quite a lot more expensive than just running a 3S lipo. Cheap pre-made LiFePO4 packs might exist, but I haven't seen them before. If you care about the longevity or safety of the chemistry, I'd consider buying some prismatic or cylindrical cells and making a 4S pack up with a balancing BMS: >>2978115
>>
>>2978140
>but safer
Cue tech illiterate boomers rrreeeee'ing about the few news stories of lithium batteries exploding and causing house fires.
>>
>>2978146
Yeah ultimately it's a relative thing. I've never caused a battery fire in my years of working with the things, but it's definitely a benefit of a lead acid battery that you can just chuck it up in your hot roofspace to run your alarm system. I'd be fine with a small name-brand LiFePO4 up there if it's not constantly being fed the maximum pack voltage of 3.65V per cell, but probably not Li-NMC cells, and definitely not a lipo. Though if you put a battery health monitor up there so I can see when a cell starts to go bad in 8 years and swap it out I'd be more comfortable with it.
>>
>>2978146
funny... you are the one that brought it up.
>>
>>2978151
Different anon. I'm just making fun of the boomers who become hysteric over the small minority of reports of lithium batteries catching on fire.
>>
how can i best find a compromise between vertical and horizontal polarization? so as to have a mix of skip and local 11m?
>>
>>2978289
Polarization doesn't matter once the signal bounces off the ionosphere since the skip induces a change in polarization. However, a vertical antenna will give you better gain for local communication. Verticals also have a better take off angle than horizontally polarized antennas.... you can get away with the vertical antenna being lower to the ground than a horizontal for skip, assuming you don't have obstacles in the way. You still want it mounted high as possible, especially since local stuff is line of sight.
My advice is go with a vertical. Don't overlook the importance of a good ground plane.
>>
File: hams2.jpg (115 KB, 540x750)
115 KB JPG
>Boomers, get out of the way!
That's how the AARL sees the new generation of HAMs.
>>
>Be me
>Be Britbong
>Just got licenced
>Nob around on VHF and UHF
>All I hear is old men talking about their ailments and the weather
>Wonder why I wasted my time to get licenced
>Realised I could have just sat in the doctors surgery for this boring chatter
Am I doing it wrong /ham/?
>>
>>2978490
They tell funny stories sometimes
https://vocaroo.com/1a17lQE6jfk2
>>
File: fx.jpg (21 KB, 347x363)
21 KB JPG
>>2978490
>Post same narrative over and over
>Post le smug face when
>Post boomer facefuck meme over and over
>Post anecdote about rag chewing about health issues
Yeah, ham is right up your alley
>>
>>2978490
This is the /diy/ board, are you somehow not here for the purpose of making your own radio equipment? Whether that means DXing, doing weird shit like moonbouncing or ELF, experimenting with digital protocols, or just making simple transmitters or receivers or amplifiers out of discrete transistors.
>>
>>2978488
Boomers cannot afford new ham equipment with their SSI checks and they're quickly dying off. They got to with the next hip thing going on.

>>2978490
Just wait until you get on 80m.
>>
>>2978497
>new ham equipment
who needs soulless SDR shit
30-50 year old equipment is where the fun is.
>>
>>2978499
absolute bullshit! I have equipment going back to the early 50's. doing anything on it sucks ass. try tuning in USB or LSB. you need someone talking for a minute or 2 to tune them in and get the beat frequency right.

finding anything is hit and miss. with SDR I can see conversations and signals all over the place. on old ham equipment you can go right over an interesting signal just because they stopped transmitting just as you tuned in to it.

no old equipment is shit. and I restore old equipment.
>>
>>2978500
I said fun not quality.
If all you need is to talk to someone, use your phone. But yea to each their own. Fun is subjective.
>>
>>2978499
>Buttons and knobs, baby!
I'm with you. My youngest radio was made in 2001, my oldest is 1976. Still my favourite is a Kenwood made in 1993 I bought new. I prefer those blue/green vacuum fluorescent displays over anything else.

>>2978500
When I get into a retro mood i'll fire up my FT101E for an evening. But the constant peaking of the finals when I change frequency makes me appreciate my more modern radio(s) with built-in ATU that much more.
>>
>>2978499
>who needs soulless SDR shit
Me. I like to spend some of my time on ham radio actually talking to people instead of slowly turning the dial to find someone.
>>
>>2978527
You can do both and cheat and check the waterfall in your area via numerous SDR websites.

>>2978520
Yeah those old analog Kenwoods are relatively easy to repair as their schematics are actually readable and one can learn a lot about radio and it is a bridge to DIY.
Otherwise, it is just some kind of internet chat over radio waves. I've never used stuff like echolink but the idea seems completely ridiculous. Apparently you can hit a remote repeater from your computer. Don't even need a radio. Why? WHY?
>>
>>2978490
Be the change you want to see.
>>
i'm in the city center of a fairly big european city.

my plan is to put a 50 ohm full wave for 11m/cb about 10 meters in the air.
i did simulation with EZNEC and if i put the antenna as high as i can which is about 8 meters up, and according to it, the more height the more gain so this time its going UP
to reduce rx noise, the antenna is horizontally polarized

any other tips for dense urban environments?
>>
i meant full wave loop
>>
File: algpow3.jpg (89 KB, 1229x500)
89 KB JPG
I'm just wondering just hypothetically how do these websites verify certain amateur radio operators? like qrz.com I had to send in a pdf of my license document but I could literally edit it and put whatever the fuck I wanted. I could publish the template of the pdf and people in other countries could edit it to have a full UK license that would let them do whatever the fuck they wanted in their own country (all the countries with reciprocal agreements with the UK which is quite a few).

Ofcom (the regulatory agency) surely doesn't just give out license numbers and names and addresses to just about any random website that asks.
>>
>>2978501
"fun"? searching the band for hours (especially now) is not fun when using old equipment. it only became somewhat fun with SDR.
>>
File: LP Filter.jpg (92 KB, 800x563)
92 KB JPG
>>2979016
You could also consider installing a low-pass filter to ensure no harmonic emissions bleed through and to reduce possible television and other radio interferrence. Insignificant insertion loss.

Not just good engineering practice but this will show due diligence to the authorities when it comes to any complaints you may get.
>>
>>2979072
ok thanks. you think i need it for a dedicated cb radio?

i just finished trimming the loop. i now get a good swr. some channels as low as 1.2 or the needle barely moves on those. (channel 10 to about 40)
about 1.4 on 27.555.
feels good as its my first proper antenna build (checked for swr that is).
i did some vhf antenna before but i'm not a ham so i can't talk there and never bothered trimming those
cb is where its at for me and president grant export is my radio.

too bad the band is so quiet at night
>>
File: 61ODlewBolS.jpg (138 KB, 1024x797)
138 KB JPG
Wondering if you all can offer me some guidance with SW antennas for picrel. I am not into DXing or anything, I just like hitting scan and stopping anytime I hear something interesting, so I want something which does not need to be tuned. My plan at this time is a broomstick antenna with a variable cap that can be switched in and out so I can tune it if I want. Is wire size mostly about impedance? or does it affect other things? Can I just use a transformer to match the impedance? Is there anything special about the transformers used for antennas, or can I use any suitable impedance matching transformer in the ballpark and call it good? Does diameter affect anything other than impedance? Can I just treat this like a standard air-gapped coil as far as impedance is concerned and select diameter to work with the wire I have to get the desired impedance or is there more to it? How does length of the coil and the wire play into these?

Yeah, lots of questions but searches are not providing much help, great deal of conflicting information with most things I can find being by people who have no understanding and seem to like string words together to make it sound like they know what they are talking about. I have a good amount of analog electronics experience, but never dug into antennas.

Any other antenna designs that would be better suited for my needs? Don't need anything fancy, just want something better than the whip and wire antenna the 880 came with and don't want to waste time going down dead ends, just want to make one antenna and be done with it.

Thanks, anons.
>>
>>2979115
i'm a noob so double check what i say.

i think that for receiving only, you don't need to think too much about impedance matching but as usual, things are probably more complicated than that so double check that.
maybe priority for you is to attain larger bandwidth so you can get as much stations as possible.
take a look at those "donut loop" antennas. they cost like 5 dollars and are supposed to be wide band.
>>
>>2979115
also diameter of wire/section affects bandwidth. larger=more bandwidth
>>
>>2979115
Addendum: I might just build an active amp for impedance matching if needed but still curious about the transformer question, I might have a suitable transformer sitting about, I have a fair variety of well shielded audio impedance matching transformers. But my electronics background has always taught me how to avoid RF and it is alien to me to want it.
>>2979118
I am not convinced wire diameter has much effect, at least not in the size of things we call wire. Commercial antenna often use much finer wire than diy ones, my suspicion is that the diy ones use a wire with a resistance and impedance suitable for using variable caps scrounged from radios and the commercial ones are not, they are just going to buy the caps so can save money on copper. I am probably going to use magnet wire that is much finer than the ~17 gauge diy designs use, impedance and resistance is going to be very different, but if it works like an air-core coil as far as this aspect is concerned I might be able to get it in the ballpark.

I will look into the donut loops, thanks.
>>
>>2979079
>president grant export is my radio.
>LP filter
Yeah I have no idea how clean the output is on one of those. As a non-type certified radio I have doubts and thus would err on the side of caution. But that's me.

Sounds good on the loop. I knew a guy in the Canadian prairies who had one for the 80 m amateur band. Said it worked decently but when he started bringing 2 sides a bit closer together so that instead of 4 equal-length sides, it was more shaped like a rectangle, the signal started becoming bi-directional with major signal lobes radiating out from the long sides, and a smaller lobe firing off the short sides. Almost like a di-pole.

>too bad the band is so quiet at night
You never know. I still remember the first time I heard CB skip. It was just after local sunset and a guy here in western Canada was talking to Aussie's on SSB with his Cobra 148GTL tweaked for maximum output and a pair of basic Radio Shack mirror mounted antennas on his Chev truck. I wouldn't have believed it if I wasn't there myself. I suspect the Aussie's were running directional antennas.

I live close to the auroral zone so I love searching out unusual propagation paths. One thing you might want to do is obtain a list of 10 metre beacons and see if there are any paths opening up, even briefly. Keep your squelch off.
>>
>>2979115
>Don't need anything fancy, just want something better than the whip
I used to have a Panasonic RF2200 and later an Icom R71A (still have it). For something quick and dirty I initially used a short piece of wire connected to the telescopic antenna with an aligator clip, then I clipped the other end to my metal window frame in my bedroom (roomy didn't share my radio interest). It worked slightly better than the whip but when I draped a 50 ft long speaker wire off my 4th floor balcony things got better. Btw, the telescopic antenna on the RF-2200 is huge. I think it was about 5 ft long.
>>
>>2979151
this loop is a triangle probably close to 37 degrees as i have no balun or matching section so that the impedance is close to 50 ohm.
i think i need an rf choke too for noise and radiation, the feed line is not in an ideal spot and it might mess with the antenna
>>
>>2978562
Why? I used to use my RTL-SDR for that. It was a pain in the fucking ass to do when I didn't have a rig that had a waterfall. If I zoomed in too much, I had to do lots of scrolling throughout the band to find the activity. If I was just right, I still had to zoom in to find the frequency the activity it was on, then switch the dial on my rig to that frequency.

It's just easier just to get a rig that has a waterfall build in. It's a lot more faster as well.
>>
Started learning CW with an app, big progress on day 1
>>
>>2978562
>those old analog Kenwoods are relatively easy to repair
Agreed. Their biggest potential weakness are their proprietary DDS chips. I snagged a couple out of a unit being parted out, just in case although I hear someone has come out with an aftermarket board. I'm still casually keeping an eye out for a tone board, TCXO, and a SSB filter even though I have a DSP-100.

>echolink/IRLP
While a mildly interesting application of radio and internet technology, it seems pointless to me and i've never used it myself. I'm not hating on it but it's not something I envision myself being in a position to use. I'm a simplex type. I rarely go on repeaters anyways.
>>
>>2974291
Just get a baofeng and go from there, I have no idea what the fuck I am doing and how many laws I have broken just by transmitting some bs.
>>
File: DM-32UV.png (399 KB, 832x832)
399 KB PNG
Alright /ham/bones, so now I got a four pack of these digital/analog feature creep chong radios. I push the button to talk, and they just werk. So far so good. The programming software is all in chong, but it does push settings, and I just have no idea what any of these terms mean.

So what do I do now? Listen to Fire dispatch? Any tips for cool things to try, and frequencies to avoid? I've heard /ham/s get big mad when you step on their frequencies and bounce stuff off their repeaters. I am trying to be well mannered radios guy over here, and stuff.
>>
>>2979543
>So what do I do now?
>Any tips for cool things to try
Try eating a bullet
>>
>>2979543
>I am trying to be well mannered radios guy
Then study for the exam and get a license. It is not about gatekeeping, it is rather about how to be well mannered on the net.
>>
>>2979868
>it is rather about how to be well mannered on the net.
bullshit. there is a guy who gets on GMRS 16 and spends hours whinubg, bitching, cussing, and insulting people. he's been reported to the FCC. he has a license and the FCC has done nothing about him.

https://youtu.be/KGTY8Ofpu4M
>>
what do you think of the 11m freeband? i guess there is overlap with cb which i also like so lets see about both.

did you get a callsign or just make one up?
>>
>>2979340
> https://www.youtube.com/watch?v=fVVpiQWvVWU
>>
remember the last loop antenna for cb/11m i put up inside a courtyard?
the same antenna is now about 8/10 wavelength up in the air close to the attic.
i modelled the loop in EZNEC and it said at that height that i would have some gain on about 4 to 5 degrees angle which means dx of about 2000km.
after putting it up and trying it out today, i could hear the nordic ssb channel which is exactly what i wanted.
i'm about exactly 2000 km from mid Scandinavia.
that Swedish repeater on channel 20 picked up some dtmf tones i was pressing using the phone towards the mic and played them back
on a Finnish kiwisdr, i could even see my AM carrier on the waterfall. but no sound unfortunately.

now i understand i need to realign my radio because the carrier was slightly off-frequency upwards.
also, i'm not sure if the microphone is performing the best it can.
it does pickup sound and sends them but its either all or nothing, hard to explain, its like if it was insensitive but it still picks the noise of my fingers passing over the plastic chassis of the mic, it does pick up voice but its hard to verify how well when there is no one else to help you listen.

other than that, despite the half-poor 11m propagation where i am, it did manage to hear plenty of stations and i could even figure what they were saying for most of them except where language was different but even that was fairly clear sound-wise.

digital modes worked really well too. JS8call was pretty active.
i can highly recommend full wave loop antennas such as delta loop or other variations, even with my fairly limited experience with radio tech it seems like the loop is one of the best and cheapest antennas you can make.
you can even adjust the geometry so that the loop is about 50 ohms needing no balun.

loops are also DC grounded and do not retain static from wind when outside.
i suppose because of this at least theoretically, they should be less prone to get struck by lightning.

loop is bang for the buck! trust me.
>>
>>2980021
cont:
the mic problem:
instinctively i tried blowing air at the mic to see if it would pick up the air pressure but it does not so i guess due to the age of it, it has become a bit deaf and since you have to raise your voice when talking to it, when it does pick up the sound, the sound is a bit too strong and it saturates.

guess i should hunt down a microphone element replacement, i like the mic housing since its the original president mic but the actual mic element needs to be changed.
>>
>>2980022
Does your radio have a mic gain adjustment? Always helpful to have someone within range to help you sound right on the air. Another thing to look at are the holes in the handmic that let your voice through to the mic element. My Yaesu FT8800 has 3 tiny little holes so the voice sounds a bit higher pitched and slightly lower volume. I removed a protective cover and drilled a few more small holes and got an immediate improvement on my voice quality
>>
>>2980043
yes it has mic gain,
if its not at least 90% or full, it is totally quiet.
i remembered i had another mic from another president and it has the same problem when used on this president.

something makes me think this is an internal problem.
this thing is 40 years old at least. it might need some recapping too. at least the electrolytic ones. and then afterwards alignment.
i mean a mic is a pretty simple thing, the behavior this thing shows makes me think its internal.

to sum it up, after keying up, it sends but you have to speak loud to break the threshold sort of. whistling works too but not if its too quiet, then it doesnt sense the sound and the tx is just quiet.

when i say threshold it really is like that.
if voice/sound not loud enough, the thing is hearing 0%.
if its loud enough then its suddenly saturated.
no middle ground.
>>
about this mic again, now when i key up there is just noise and the mic is not even being listened on. only noise
this is getting out of hand, this radio needs an overhaul
at least everything else is mostly working. could be worse.
>>
forgot to mention that its noisy with both microphones so i think its internal. maybe some problem with the mic preamp or something. really fucked.
>>
sorry for the blog posts.
now the mic seems to work suddenly.
i can hear myself without crackle on my handheld. seems like its sensitive again but only on ssb! on am and fm its quiet so the radio itself is definitely the culprit.

i suspect this radio has been unused for many years. i dont know how careful the guy who sold me it was. the lot was a bit dirty. there was a president grant and two president valery + 2 mics.
also, the grant's signal meter is dead but the one on the valery looks identical so maybe i can put it on the grant.
>>
>>2975016
I would want to double check the schematic, but my thought is that if you're TX'ing out of band, the harmonic filter will end up killing your fundamental.
Also the input/output matches are designed for those specific bands. Being off in frequency will make high SWR between the PA and harmonic filter and similar between the driver and PA.
>>
if i had a dog, i'd let it speak on the radio from time to time.
>>
i discovered something weird when keying up the mic.
those problems with insensitive mic are partly resolved by holding the spiral cord of the mic in the other hand. it somehow makes it sensitive and "opens" it. making it behave like a normal mic.
also the cord is very sensitive to rfi for example i had my phone in the pocket and if the mic was too close to it, it would start to hum.
the radio is grounded and the antenna is dc grounded.

if i don't hold the cord in my other hand, it is basically as good as deaf.
it also "opens" up when its close to my head.
what the hecking heck is it doing? anyone has any ideas?
>>
>>2980199
Yeah that seems to reflect what that youtube guy found. Harmonics that were louder than the fundamental. Be nice if there was an alternative with a linear amplifier instead, less efficient but much more wide-band. The ASIC in those quansheng radios are capable of a really wide range of frequencies, though only for FM.
>>
>>2980257
try adding a counterpoise
>>
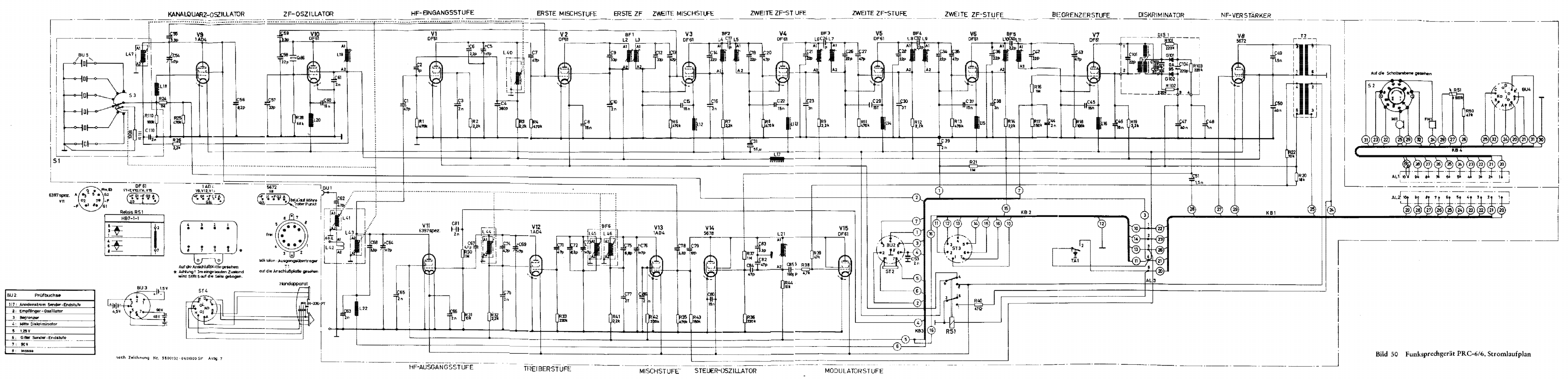
File: PRC-6_6.jpg (388 KB, 2048x1536)
388 KB JPG
hi /ham/ I am usually not a radio guy, so I am not sure if this is the right general, but I guess it is diy and radio related.
I got my hands on two PRC-6/6 in exchange for two geiger counters. It is the german derivative of the AN/PRC-6. The problem I am facing right now is that the original battery is long out of production. And I've got no practical experience with tube technology in general.
This is the power consumption of the radio:
>Rx filament:_1.5 V_440 mA
>Tx filament:_1.5 V_1,000 mA
>Rx plate & screen:_45 V_13 mA
>Tx screen:_45 V_14 mA
>Tx Plate:_90 V_28 mA
>C bias:_-4.5 V_8 uA
My idea was to go and use a 12V Lithium-ion battery as power source and use a buck-converter for the 1,5V and a boost-converter for the 45V and the 90V. Got a bunch of LM2596 buck-converters with a max output of 3A. More than enough for the 1,5V.
For the 45V and 90V I wanted to use something like this boost-converter:
>https://www.ebay.com/itm/176405570190
it has an output of ± 45-390V. So I should get away with referencing the -45V output as GND for the radio, the 0V output as 45V for the radio and the +45V output as the radios 90V.
I've read that I shouldn't use a buck-converter for the C bias and I should just use 3x 1,5V batteries instead. It seems as if the C bias is somewhat sensitive to ripple current and with how little current is needed the batteries should pretty much last a lifetime anyway.
For anybody that has more experience with these things than me, what am I missing?
Should I use buffer capacitors at the output voltages? Z-diodes to prevent voltage spikes while switching from transmitting to receiving?
I might run into electromagnetic interferences because of all the different frequencies that are involved. Should I use some additional RC or even LC filters? Would an aluminum sheet metal housing help, or are there better solutions?
If anyone is interested, I can keep you updated. It just might take a while for me to actively pursue this project.
>>
>>2980538
What were the original batteries? Did each unit have a two or more 45V batteries, a big 1.5V battery or two for the high drain of the filaments, plus a smaller 4.5V battery for the bias?

The less conversion you do the better, 12-17S LiFePO4 would be about 45V, depending on how far you’re ok with it drifting upwards or downwards. 10-14S lithium NMC would also work, or even ~22S lead acid.
That TX plate looks to be the highest power drain of the system, followed somewhat closely by the TX filament, it would hardly be absurd to simply have batteries for each of them, with parallel (isolated) charging circuits and balancing where appropriate.
Alternatively, if it’s not going to be very portable regardless, you could just run it permanently on a multi-tapped transformer supply.

Also be careful about using +45V for a 0V rail, if the 0V rail needs to sink and source current your boost converter will probably only be able to source current. Unless it’s always sourcing more than it needs to sink, you’ll want a different solution. Maybe a bidirectional converter that can source and sink current, or maybe the more conventional use of 0V as ground with a rail inverter and/or additional battery.
>>
File: MIL-B-18-75D00001im.jpg (786 KB, 1844x2016)
786 KB JPG
>>2980543
>What were the original batteries?
The original battery was a "all in one" pack. It seems though as if the individual voltages had cells that were somewhat seperate from each other. Just the 45V and the 90V seemed to be in series. I've got no idea what charge was behind each voltage though.

I've seen people combining 10x 9V and a bunch of 1,5V AAA batteries and make it work. I wanted to go with the "1 battery pack as a source" solution so it wouldn't produce as much waste and to keep it rechargeable. Also, if there is only one battery that's doing the work it seemed to be more efficient and I don't end up with one battery empty while 3 are still at half their original charge. Lithium-ion seemed to be the way in terms of energy density. Because I also want to store them in the original radios to keep em portable (well, as portable as a design from the 50s can be). And it seems to be a somewhat fun project. I won't make my life dependent on it.

And I will definetely look a little bit more into the boost converter. Not a 100% sure, but now that I am looking at it, it seems to be more of a switching power supply than a classical boost converter.
>>
File: MVC-409F.jpg (239 KB, 1171x445)
239 KB JPG
>>2980543
Here is some ghetto-rigged battery. It does work, it just seems to be quite wasteful and less "elegant".
>>
>>2980551
>A, B, C
To what extent do they have to float with respect to one another? You could definitely do it with a few isolated DC-to-DC converters. Personally I'd want to design a custom PCB with custom switching converters on it, if only because those alibay modules are often not up to spec. The LM2596 modules in particular are famous for being capable of nowhere near their rated 3A, and for switching significantly lower than the datasheet spec. Well a custom board would also be nice for ensuring good EMC, with proper ground routing and direct return current paths.

For a single rechargeable battery you're definitely at a strange crossroads. 4.5V is kinda too low, especially if it can't vary (e.g. 3.2-4.2V is no good), while 45V is too high. A conventional 12V lithium deep cycle battery might well be the way to go, in which case I'd hook it up with a push-pull transformer driving converter, maybe a resonant, quasi-resonant, or zvs topology for minimised noise. 12V is nice for MOSFET driving after all. I believe you should be fine to wind all the output windings together and to only use one line for feedback, all of the output voltages will be directly proportional to one another via the turns ratios. For the low-current 4.5V rail I'd just use a linear regulation circuit to drop from 12V, for lower noise. That might be a monolithic linear regulator, or it might be something discrete using a pass transistor because monolithic ones are designed to have the most ripple rejection around 120Hz. You can likely also use a CLC pi filter on that rail too, I assume the load current is pretty constant. Depending on how well regulated the other rails need to be, you could use linear regulation circuits on them too. So long as you're only dropping a volt or two, the efficiency loss won't be great. You can possibly even leave your 1.5V rail(s) as high frequency AC, tube filaments are often run off AC since it doesn't need to be DC to keep it warm.
>>
File: PRC-6_6-schematics.png (1.93 MB, 5033x1215)
1.93 MB PNG
>>2980590
ok, I managed to dig out the schematics for the PRC-6/6.
-A, -B and +C are all connected to the GND of the radio. At least as long as switch S2 is on I or II. If you switch it off it will disconnect -A and -B. It seems as if C is always connected.

I'll probably try the chink converter route first. I'll make sure to check if the output of the booster is isolated from the input first. I already know that the buck converter is not. And I'll use a scope to check their behaviour under load. Thanks for the advice that the chink converters might not be up to spec. For the 4,5V I'll probably go with 3x 1,5V batteries since the current is almost negligible. And it's probably the easiest way of getting a negative voltage. If I can get all that shit running, I'll just throw everything into a metal can to help with EMC and to test it outside of the radios first.
If it is too noisy and filters won't work or if I run into some other trouble, I might go down the custom converter rabbit hole.
If I can get it running I'll post it on /ham/. It just might take a while, cause I'm a lazy cunt.
Thank you for your opinion. It made me look up some topologies I hadn't heard of before.
>>
Is anybody on CB these days? I just want to listen to boomers talk about what they had for breakfast during my commute, should I get a 2m/70cm or CB? Do the the chinks make combo HAM/CB radios? It doesn't seem like it. I used to carry a battery baofeng around with me but that was years ago. I want something mounted in my car.
>>
>>2980968
the only "people" on CB in my area aren't in my area, but on the other side of the continent. joggers in mobile alabama using illegal rigs to spew gibberish on superbowl 6 and 11.

in the last 20 years I have only heard one conversation between locals, and that was last year.
>>
I tried charging my rechargeable batteries in my old tecsun pl380
After hrs of charging it didn't charge anything so I switched them out now waiting for them to get low to see if it works.
>>
Is it still possible to listen to police scanners and random stuff in your area? I haven't followed this stuff in years
>>
>>2981082
Some police use digital / encrypted radio comms, some still use open analog radio comms. Really depends on where you are.
>>
All the "fun stuff" in my region switched to encrypted digital back in 2011. Shortly after that the used market for scanners was flooded with receivers going for pennies on the dollar. Not much to listen to anymore except maybe FRS.

>>2981082
I got my first scanner in 1986 (a 4 crystal job from Radio Shack). Your question has made me realize just how much has been lost over 40 years.
>>
>>2981082
Depends like >>2981090 said. Here, they use a hybrid analogue/digital system. One department you hear like normal like one of the ambulance companies, but the dispatcher will be completely static like sound which is digital. The ambulance wll acknowledge and respond so they're hearing what the dispatcher is saying. The cops, however, are 100% encrypted digital.
>>
File: RG6.jpg (8 KB, 225x225)
8 KB JPG
lets say i can make an antenna with any impedance i want from 50 to 200 ohms,
for this example, say i make it a 75 ohm antenna.

can i then put a 75 ohm feedline from 75 ohm antenna straight to a 50 ohm radio without too many issues?
modelling the 75 ohm antenna it says its best to use 75 ohm feedline.

is the mismatch between 50 ohm radio and 75 ohm feedline + 75 ohm antenna a big problem? if so, how should i remedy that?
>>
>>2981319
for receiving it doesn't matter very much.
>>
>>2981093
What's frs
>>
>>2981347
this is about transmitting though.
i know that using clever configurations of 75 ohm coax and 50 ohm, you can create a match. i can just try the 75 ohm feedline and get as close to 1.5 as possible. i dont need a lot of bandwidth and 75 ohm antenna provides more bandwidth than 50 ohm one. its a full wave loop and the dimensions can be sized freely to get the impedance you need. on the other end i can get rg6 for cheap and there is about 12 m of rg58 with this there shouldn't be any problem.
the question is how. the radio is a old school 80's cb with ssb.
>>
anyways, i've done the numbers and settled for 100m of rg6 for 0.31 euro per meter including shipping.

this should allow to make a double rg6 line, thinking it may stop the coax from being an antenna itself on the way back picking up signals along the way.

even at double rg6 its still 2 times cheaper than rg58.
all necessary matching can be done on the level of the antenna adjusting the loop dimensions as they affect resonance and swr. the theoretical best without balun would be 1.5:1

what did i miss?
>>
more information for 75 ohm
>>
>>
>>2981398
>using clever configurations of 75 ohm coax and 50 ohm, you can create a match
The result will be wavelength dependant though. If you want to cover wide bands or multiple bands, I’d consider using transformers instead. Otherwise it will be a mess if wave-traps, not to mention adjusting precision lengths of coax for an optimal SWR reading sounds like a pain.
>>
>>2981425
its for 11m.
i'm used to narrow bandwidth.
i mostly will be active on the upper channels 27.555,265,235 etc.
also my loop is tunable by slightly moving a knot which decides circumference if i ever want to talk on the lower cb channels

i really have to keep costs down atm
>>
File: dualrg6.png (18 KB, 1280x720)
18 KB PNG
i'm having trouble understanding something.

is it true that doing dual rg6 balanced line will give me 150 ohm on the balanced line?
it makes no sense the cables are not hooked up in parallel or anything.
i'm just sending the center conductor into coax center #1 and the outer shield to coax center #2.

i've made an illustration, halp me!
>>
>>2981508
continued:
learning as we go a long...
two coaxes in series (as above picrelated) will double the impedance.
and two coaxes in parallel will halve the impedance.

i forgot about the parallel configuration.

now, to the core issues: the problem is how to filter RFI along the way to the antenna.

is it worth it to send 4 rg6 coaxes in total? two groups of two.
two in parallel for the center conductor and two in parallel for the outer shield.
which should bring me back to 75 ohm right?

or just forget about all of this and make air cored common mode chokes with the coax? (much less cable used)
>>
>>2981363
>What's frs
https://en.wikipedia.org/wiki/Family_Radio_Service
>>
>>2981522
Why? Like what exactly are you trying to achieve?
If this transmission line is for 11 meters and RG6 is what you can afford, use it. A standard dipole antenna is 73 ohms, basically a perfect match for 75 ohm RG6. Assuming you're using a 50 ohm ham radio, this will present a 1.5:1 SWR which the internal tuner of the radio will handle effortlessly. Also, at 27 mhz RG6 only loses ~1db per 100 feet.
>>
>>2981533
do i even have an internal tuner btw?
i don't have an ATU or anything, just a CB radio.

i've got plenty of noise around here. pulse noise, nasty really and i thought dual/quad rg6 might isolate from that.
but in the end i might settle for air core common mode choke for that + one rg6 line.

as i understand a lot of people use 75 ohm feedlines for cost reasons and seem to be fine.
i just want to make sure that i really explored all the possible setups that i could have with 100m rg6 and those include impedance matching setups.

i'm looking at matching sections in parallel/series at the moment + combining them with other matching sections, dual or not.
hard to find much information on the matter.
>>
File: 1753728307488244.jpg (51 KB, 960x1023)
51 KB JPG
Is this a place where I can ask about those alleged chink antenna things that let you pirate all of the premium TV channels? do they actually still exist, if ever existed? or were they all scams?
>>
>>2980262
just take out the harmonic filter, just go straight from the PA output match to the antenna connector. Fuck em. See if the software will even let you TX out of band. I'm sure the ASIC they got in there would do it if you told it to.
>>
>>2981533
i finally found something really cost effective for what i have.
its the 12th wave matching section (bramham).

it was made for 75 -> 50 ohm transformation but can probably be adapted to 150 -> 50. will try
>>
File: 20200326_075423_resized.jpg (567 KB, 1008x756)
567 KB JPG
Do you have a favorite logging program for casual logging? I use N1MM for spots, but haven't gotten used to logging through it - I've been grabbing scraps of paper and it's getting to be a pain in the butt
>>
man, i can't wait to try out the Bramham matching sections. i was looking around obsessively for solutions and this old trick popped up. seems like in amateur radio it really pays off to do your research before settling on a solution. most people settle for baluns with ferrite cores but Bramham matching tends to be ignored for some reason.
for mono-band purpose this seems like a way to match any impedance line to any other impedance line without needing any other things than stubs of the two lines.
really cool stuff if you ask me.
>>
>>2981541
>>2981608
What is your goal? You want to talk to people on CB radio?
You said you found a 100m box of RG6 for 31 euro, so I'm going to assume you're in Europe. What model is your CB radio?

Keep in mind that you're going to have to put a connector on the end of your coax, so you'll either need to get the solder-on type or the crimp-on ones with a crimping tool. Or you can get a pre-made length of RG58 or RG8X on Amazon for 20-30 euro.
Either way, you need to decide where you're going to put your antenna, so you know how much cable you need.

To start, I would put together a very simple 1/4 wave vertical antenna. There are lots of instructions online on how to do that.
A magnetic base CB antenna on German Amazon looks to be only about 30 euro or less, and most of them come with cable attached already. Get the ones that are like 260cm.
>>
>>2981684
its all good.
i already have a full wave (delta loop) close to the attic, i tried both horizontal and vertical polarization and i picked up stations from 2000km away.
i tried to put the loop at a good height for a good dx angle of 5 degrees and it actually worked.
the attic is about 10m up from ground.

however, there is nasty noise around where the rg58 coax went up and i have no common mode choke and i have no money to get double rg58 or something or even a proper ferrite core with the proper mix.

SO... dual rg6 (which will be balanced and protected thanks to the shield) and they will be matched through Bramham sections.

thats the plan for now.
i already tried a bunch of antennas and the full wave loops are my favorite. they allow for compromising between bandwidth and impedance just by changing the loop height/width ratio and circumference + point of feedline for polarization.
best antenna i ever tried.

but the noise... oh the noise is really nasty. my radio which is a President Grant Export (pc999) has a noise blanker and it actually filters out the noise almost completely but i still had the problem with the single RG58 picking up a bunch of shit along the way so, thats where the dual rg6+matching comes to the rescue (hopefully)
>>
>>2981684
i even went around with my quansheng in AM mode just to see where the noise is and i think i have located it in some spots not far from some electrical lines in the staircase where the coax passes.
its like an audible pulse appearing every 100 hz if i look at the audio with a spectrum. all channels also.
>>
also the noise blanker only seems to really work on AM.
>>
>>2981691
>>2981692
>RG58 picking up a bunch of shit along the way
The braid in typical residential coax usually only has about 60% shielding. Higher shielding can be had but it costs more. Re-route the cable maybe?

>also the noise blanker only seems to really work on AM
I seem to recall this was the same on a buddies Cobra 148GTL. Every vendor has their own NB and some work better than others for various reasons. I think they are mostly optimized to combat ignition/impulse noise.

If your attempts to mitigate noise fails, you might want to consider an external audio DSP filter or even the older analog noise filters to help you out.
>>
I took my ATS Mini outside and tried to do some SWLing. When I was growing up in the US my logic went something like this: check 5mhz, 10mhz, 15mhz, 20mhz and see which WWV signal is the strongest. That's where we scan. That doesn't work here in the Philippines where we can hear both BPM from China and WWVH if you're really lucky. At first I accidentally took the whip antenna with me instead of the donut antenna. I heard Jane Barbe (RIP to the GOAT) on 15mhz loud and clear with the usual Chinese racket slightly weaker. I thought that was promising. Tuned up a bit and got Voice Of Korea. My favorite commie propaganda was hard to hear over this awful hum that did not seem to be coming from anywhere near me. Usually you only hear that sort of thing here on lower frequencies. After getting the donut antenna from my house WWVH was much fainter, BPM much clearer, and VOK also came in stronger but that fucking hum was still there. Oddly it seemed to disappear when the music came on. North Korean incompetence? Conditions did not seem favorable enough to continue with standing out in the hot sun. I might try this again tonight.
>>
>>2981630
I use CQRLOG on Linux, when outside I use paper and then I put it on the computer. A friend uses QRZ.com as a log book, without a log of his own, he enters directly the QSOs there
>>
>>2981731
>The braid in typical residential coax usually only has about 60% shielding.

the antenna is a closed loop. (shorted)
on the way up its fine but on the way back it really picks up the noise.
here is how i know: plug only the center conductor into the radio. noise is like 10% of what it is with the shield connected.
>>
just got my coax. might go for half wave multiple of coax.
its supposed to make the feedline "transparent" and give me the impedance to the radio the same as the antenna.
if there is still a mismatch, then i will try the 1/12 sections but even there, if the half wave multiple method works, then there should be no need for 1/12 sections.
>>
>>2981784
>might go for half wave multiple of coax
In case you didn't already know, the length of the coax isn't a half multiple of the wavelength in air, but of the wavelength in the coax's dielectric. It will be shorter by the coax's velocity factor.
>>
>>2981849
yeah, multiplied by velocity factor. anyway, its easier to cut something too long than to add to it.
>>
>>2981851
Yeah. Got a VNA or SWR meter?
>>
>>2981852
SWR meter yes,
VNA, no.
trial and error
>>
>>2981853
Dummy load time.
>>
>>2981854
i just use the superbowl channel for that. i could hear them all the way to europe with a horizontally polarized loop.
no one would mind
i'm not spending anothere 40 euros for some dummy load.
>>
the superbowl was just an example. i just key up with my mighty 10 watts on some channel where i can't hear anyone and look at the swr there

maybe i should excuse myself next time, just in case someone heard my carrier? they might call the 11m police
>>
>>2981855
>40 euros for some dummy load
It's called a bag of 100 ohm half-watt resistors soldered in series and parallel to get the power rating you need.
>>
>>2981862
yeah, might make one if i need one.
>>
a little update on the twin 75 ohm coax situation.
i pulled two paired coaxes a little more than 17m up to a 50 ohm delta loop fed from the bottom.
three 1/2 wave multiples equals about 16.32 if vf is 1.
with a dose of luck the twin coax of nominal 150 ohm fell pretty close to where i wanted it. i had to add about 15 cm to get the swr where i wanted it.
i did three attempts first removing some coax and later adding more than i removed noting the swr on multiple channels.
if nothing else is crazy, the length of the 150 twinax directly affects the swr with a swr bandwidth similar to what i was used to when using a 50 ohm line throughout.
i had a listen with my handheld and the cb is transmitting but i can't say how well it does that.
would be nice if there was a websdr close by.
last time during one exceptional day i could reach a kiwisdr about 2000km away but that day, the propagation was exceptional and mostly from the direction where the kiwisdr was.

i hope the new set up will work as well next time propagation is good.
today, propagation on 11m seems very weak. i did get receive some dx but in total like 5% of what i would get during good propagation.

at least for me, i will use 75 coax whenever its suitable since it seems you can really work the impedance by changing length.

now, could it be that there is a mismatch somewhere further up the line? and if so, could some of that be converted into heat along the way to the antenna and the radio+swr meter would be none the wiser?
>>
>>2981993
You’re not going to end up with heat generation in the transmission line easily, all you’ll get will be signal reflections that could cook amplifier stages. With your half wavelength multiple lengths of coax, you’ll be producing wave reflections that cancel each other out, so feasibly the impulse response might still be able to damage anything, if your carrier wave turns on or off extremely quickly.
>>
>>2982034
do these "bypass" the swr meter altogether or is the swr meter too slow to indicate properly? its an analog needle meter.
>>
>>2981993
since its a twin coax, each length has to be pretty exact, can a difference contribute to this?
i've read that a balanced line must be carefully exact or you get common mode currents hanging on to thanks to the difference between the cables.
>>
>>2982034
i meant this for you
>>2982039
>>
>>2982034
in any case, if its potentially as bad as you say and i have no nanovna to look closer with, i might widen the loop to approximately 150 ohm. (i can use EZNEC to get a rough idea)
then feed that loop with 150 ohm twin coax.
and use 1/12th sections matching before a final short 50 ohm line into the radio.
with the 150 ohm loop i should get much wider swr bandwidth and maybe i will avoid the problems you are referring to.
i remember reading yesterday some question on a forum about why you're supposed to avoid half wave length multiple sections but you explained it better.
>>
>>2982036
Too slow is my estimation, at 30MHz the voltage spike will last for no more than a few hundred nanoseconds, if your amplitude ramps up slower than that you’re laughing. And with a 50:75 ohm mismatch you won’t be seeing much of a spike in the first place. Maybe 1.5 times the volts, not sure about that calculation though. If that’s a radio with a linear amplifier you could calculate the voltage spike size and ensure the output transistors are rated to a high enough voltage, if not you could still spec a TVS component like a diode or GDT. This is all based off my theoretical understanding of transmission lines though, someone with practical experience may be able to say one way or the other.

Honestly I don’t think you’ll have any trouble, you can test it with ltspice or probably some sort of online tool if you’re worried.

>>2982039
I was wondering that myself, I suspect a mismatch in length would drop your effective SWR, but I’m not at all familiar with the concept of twinned coax.
>>
Can someone recommend a decent 15 watt handheld radio for primary use on VHF and UHV please
>>
Redpill me on meshcore
>>
>>2982260
>decent
>15 watt
>HT
No, not really. I'd be lying if I did.
>>
>>2982361
good luck with that. I've been trying to find good information and which ones are the better ones, and it's all confusing.
>>
part 1 (2,3,4,5)
>Quansheng UV K5 10-11-12m conversion mod

https://www.youtube.com/watch?v=8LhyXEDa2YY
>>
>>2982672
Be aware that these Quansheng UV-K5 mods only work on the V1 version of these radios. I bought one recently to mod into a portable CW rig, and the CEC and IJV custom firmwares won't work on it because it's a V3. I ended up returning it and had to use ebay to acquire an actual moddable UV-K5 v1. It can also be a little tricky because not all V3 models have the V3 label on the back.
>>
>>2982677
uv k5(99) (64kb) here.
if unsure, the size of memory can help
v1 has 64kb
i know v3 has 2 mb
i'm not sure about v2.

however, the mod above does not require firmware changes i think.
its mostly a hardware filter mod to get on 11m without spurious emissions and proper channel separation etc.
like a real 11m radio
>>
Why should I bother to get licensed and transmit?
Why should I even consider transmitting?
>>
>>2982698
Why should you consider buying a radio in the first place? Just listen on a webSDR.
>>
>>2976713
but what if I just do it anyways, like really fast, and then drive away and never do it again?
>>
File: 1771094667112006.jpg (68 KB, 892x892)
68 KB JPG
gonna sneak off to the antique store tomorrow and snag some cb stuff without the woman knowing. gonna look for a cheap hf receiver too

When I was there last time they just had a stack of early 2000s uniden cbs for $5 each all with "tested and working" written on masking tape slapped on them

I'm pretty sure I saw an ancient hf transciever but I'm not sure, and a "reapeater board" that also looked like it was from the 60s

I'm gonna pick out the best uniden and take it straight to the storage unit. I was looking for an old cobra but they didnt have any. Couldn't look too close otherwise the woman would've caught on

ill take a couple pictures of all their radio stuff and let yall see tomorrow. I'm also saw what I think was an 70s-80s handheld frs brick walkie talkie with it's charging dock. I doubt its a cb handheld, but that'd be pretty cool. I've got a decent vhf and uhf setup, I'm only missing a decent dedicated cb and hf setup. I have a cobra soundtracker 1, but no power supply or radio at the moment. So I do all my hf lurking on my portapack and the trusty old 18' length of wire thrown out the window
>>
File: pepe radio.jpg (51 KB, 604x481)
51 KB JPG
>>2982260
I have settled for 10 watt and just own x4 5rm pro gps baofengs. They have good battery, do gps, they're unlocked, and I've abused the fuck out of them with no issues. I've had them in coming down snow, pouring down rain, and rumbling around in my tool bag for however long. I've ripped through antennas like printer paper. I'm on my like 6th pair of abbree 42 inchers
>>
>>2982738
>no power supply or radio
*or antenna

Its past my bed time so my typing is getting sloppy
>>
I'm planning a trip to mongolia next year and need to have some sort of strong communication between bikes and a car. I thought of CB because it is the simplest thing that you can carry by plane and it spits out 4W. My question is there any restriction on CB in mongolia? (Sena and cardo suck if you think about it and PMR is too weak). I already have mounts and infrastructure for CB on a bike (handhelds doe)
>>
>>2982793
>cb radio restrictions in mongolia

you must be american?
good luck in mongolia. try not to get scammed.
>>
>>2982793
Within Mongolia 26.960–27.410 MHz is the CB band and PMR446 446.0–446.2 MHz is also license free. These are the relevant frequencies. The equipment that you are using to transmit on these frequencies should have a "conformity certificate" from the CRC but idk man you're probably going to get away with not having that. Just looking into where it's appropriate to transmit and doing it there is likely more than most locals, even for commercial operations are gonna do. Here in Asia buying some cheap Baofengs and transmitting wherever is incredibly common.
>>
File: IMG_20260325_125217248.jpg (2.66 MB, 3120x4160)
2.66 MB JPG
Some of the random shit at the antique store today
>>
File: IMG_20260325_123741550.jpg (2.21 MB, 3120x4160)
2.21 MB JPG
This is that weird handheld I mentioned. It's actually not cb or frs, it's actually fucking 2 meter ham band for some reason
>>
File: IMG_20260325_123726887.jpg (2.26 MB, 3120x4160)
2.26 MB JPG
Lots of goofy and busted stuff
>>
File: IMG_20260325_123637379.jpg (2.05 MB, 3120x4160)
2.05 MB JPG
One of the stacks of cbs. I bought the radio shack in the back top left for a whoppin totally free. I bought a silver and peridot ring for my wife for $40 (yes I know I over spent for the silver weight but that way she doesn't ask why I went to the antique store) and the old dude just threw in the cb with it. I considered a very small Kenwood they had, as well as the best looking uniden they had, but the Kenwood had a proprietary mic hookup I'm not familiar with, and the uniden was missing it's power cord which was again not one I knew I had at home or would be able to easily acquire. I had no service, due to mountains, otherwise I wouldve looked these things up while in the store. Educate me if I'm retarded (probably am)
>>
File: IMG_20260325_123730997.jpg (2.2 MB, 3120x4160)
2.2 MB JPG
I might still go back for the Kenwood because it would fit perfectly in my car. But the radio shack was honestly the pick of the litter. It has no rust or corrosion "tested and works" for whatever that's worth, the knobs were all still crisp and didn't have any memory, and it hasn't had any of its power cables ripped out in back. Need to get a couple tuneable tip antennas, another mic, and some power supplys and see if it and my old cobra soundtracker actually do "tested and work" and I can talk to my wife. Then I'll figure out how many fars I can push in this area. The state I moved from, and the region of the state moved from was very flat and we could talk gmrs about 3-5 miles through buildings no problem with 10 watt handhelds. But here you can literally only talk in the dollar, second you go over the mountain gone. I can't even hit the repeater when I'm in town. Literally have not hit it at all yet. So I'm gonna see how cb does me! A lot of goobers here have cb antennas on their normal cars. I will soon be a cb goober
>>
>>2982858
you should get the ones with SSB (single side band)
FM/AM is nice too but very common already.
SSB is harder to find and is arguably more useful at least for dxing.
>>
>>2982858
actually, SSB is king.
you get more effective power by getting rid of the carrier.
>>
european here.
is propagation on 11m coming back soon?
how is it like during summer months?
>>
Several classic 1970's CB's there. The Palomar Skipper and Sonar Model-E. Gotta love that 8-track tape player too. :-) My dad still has his in his shop and uses it.

>>2982858
The Kenwood is a TK-709. A VHF-FM radio that transmits between 150 and 174 MHz. You'll need a programming cable and software for it. I'm not keen on those modular microphone jacks either but the Kenwood ones are dime-a-dozen. Easy to find.

>>2982859
That Zetron unit is just a repeater controller. And it looks like a Radio Shack portable shortwave receiver on top of it & behind the Pro-2039 scanner.
>>
>>2983016
I'm definitely going back for the kenwood, because it'd be hilarious to blast 25 watts on murs at all the truckers that do the same. I'll receive over powered murs transmissions that are outside of my transmitting range on a 10 watt handheld all the time
>>
>>2982857
That looks like a Precision E200C signal generator from the 1940s/1950s.
>>
File: 1000137216.jpg (996 KB, 1836x3791)
996 KB JPG
Both Baofengs for emergency comms and listening to local repeaters.
UV-17(orange) monitoring 121.5 MHz all day while also scanning 118-136Mhz constantly.
Voyager Is a CB radio.
Sihuadon is for monitoring a specific air frequency currently listening to GRU approach.

Yes I'm poor.
>>
>>2983338
RTL-SDR is better for continuing monitoring.
Also, does it kill you guys to spend one extra second to get the images in focus?? 2 MB of blur is just painful.
>>
>>2983340
You just have to look at the Lidl uniform. It says a lot.
>>
>>2982933
we are supposedly at maximum solar activity these years but it's weak as fuck.
11m can be opened during the day, you have to try and try again, no idea if there is activity here, I listen a bit, but never hear anyone
>>
>>2983412
i still get some occasional transmissions from far away but they usually disappear as quickly as they come. and for 10 minutes straight there can be nothing at all.
then some one pops up again until another 10 minutes of nothing.
then all of the sudden 2-3 people come up for 2 minutes and then its gone again

one day i remember i had crazy propagation like 1.5 months ago.
never as good as that day.
i could see my am carrier on a kiwisdr 2000 km away from here.

the kiwisdr had a full wave loop antenna.
i could even interact with that swedish cb fm repeater on cb channel 20
otherwise i never even hear the repeater
>>
File: IMG_20260330_222035255.jpg (1.68 MB, 3120x4160)
1.68 MB JPG
Fuckin love this little fm alarm clock

Unironically the best fm receiver I've ever listened to in my life. Makes fm radio sound like a vinyl swear on my life I love this little guy
>>
>>2983513
Nice. It prob has a good speaker. How old is that? Looks like something from the 80's. As a kid I had something similar but instead of LED's it was one of those ones where the numbers flipped over. My parents let me listen to a local AM pop station at bedtime. Good memories.
>Sky rockets in flight, afternoon deeliiight...
>>
>>2983527
Yep mid 80s! I love old woodgrain alarm clocks you can't beat em. I wish there was any good am stations around me but every one is just a political talk show now
>>
i have an old uniden grant export.
i also have an old hp function generator.
has anyone tried using a function generator to add a frequency to the mix basically making tuning a radio using only the function generator?
thus far i understand that there is often a mixing process where you mix two oscillators (adding them) to get the wanted frequency. but how does this work in practice? where should i hook up the function generator?
>>
the hp function generator goes up to 2 mhz btw.
my idea was if there is some way to add lets say 10 khz to the mixer of the radio change frequency. the function generator goes down to the hz range so precision does not seem to be an issue.
the function generator has 50 and 600 ohm rf output selector.
>>
>>2983846
>>2983855
Well you’d need a mixer for starters, like a diode ring or some sort of transistor-based topology. My function generator has a dedicated AM and FM modulation input, your unit may have one also, this implies it has an internal mixer.

You don’t want an excessively low oscillator frequency as you need to be able to filter out the unwanted sideband, if your audio signal has a bandwidth if 4kHz and your oscillator is running at 1kHz, no amount of filtration will extract those signals from one another. Even running it at 10kHz will mean less than a decade between your pass-band and stop-band, requiring an aggressive multi-pole filter. What kind of result are you looking for? To use a radio out of its intended band? Or to make a radio from scratch? To receive or to transmit?
>>
>>2983862
SA602 or 612 are common integrated mixers.
>>
>>2983864
I hear they're kinda ass, that they only work for specific low amplitudes. But for a transmitter it's pretty easy to control that I guess. These days I only ever see diy circuits using analog switch ICs as balanced mixers with a bunch of square harmonic production, seems to work pretty well.
>>
>>2983867
>analog switch ICs as balanced mixers
Are you thinking of Tayloe detectors? I never heard them described as mixers.
>>
>>2983862
> To use a radio out of its intended band?
yes
basically using a channel radio as a freely tunable radio (obviously within the limits of what the filters are made for and all that. basically getting full freeband coverage 26-27mhz)

i know a frequency counter would help too but first i need to understand where to even put the juice in.
>>
>>2983874
A mixer has two inputs and one output.
Connect the antenna to one input
Connect the function generator to the other input (and use a sine wave)
Connect a low pass filter between the output and the antenna input of the radio.
>>
I want to make this: https://baofengtech.com/wp-content/uploads/2020/10/X-Band-Repeater-BTECH-Mobile.pdf

But I'm getting hung up on where they connect the mic in on one to the speaker out on another. I'm measuring +5V DC on the mic input, presumably to power the handset lights when that's plugged in.
Would that damage the circuit driving the speaker output to constantly have a 5v bias like that?
>>
>>2983870
That terminology seems to imply a quadrature detector, but yeah that's where I've seen it. A quadrature detector is really just a pair of mixers and offset clocks. But there's nothing stopping you from using an SPDT analog mux with a single differential amplifier as a balanced mixer. Though if you have to use that differential amplifier to combine the two halves of the signal that requires that the amplifier be rated for the RF signal if it's being used as an upconverter, but I'm pretty sure you could use a DPDT analog switch as a mixer without needing a differential amplifier.

>>2983885
The +5V is a high impedance bias for an electret mic, IIRC on my quansheng there was a smaller DC bias on the speaker output. For my IEMs I stepped down the signal with a diode clipper (because the PTT button puts a big voltage spike on the speaker line) followed by a voltage divider to drop the signal amplitude to something sensible for high-sensitivity IEMs.
>>
>>2983882
what would this be for? rx? tx?
also, what about the built in mixer of the cb radio? could i plug the signal in somehow?
i think the radio has oscillators which get added to other oscillators to get the desired frequency. so i guess there are mixers in it, since it has fm/am/usb/lsb there might be multiple mixers.

its fairly well described in the service manual but i'm a noob so not making much progress on it.
>>
File: mix.png (147 KB, 650x328)
147 KB PNG
>>2983988
You should probably look up how mixers work, and what radio block diagrams look like.
>>
ham radio is dead
>>
>>2984036
thanks, will do
>>
I'm looking at getting a cheap handheld and I'm deciding between the Quansheng UV-K5 and the Radtel RT-880.

From what I understand:

- UV-K5 is simpler, ~5W, basic but popular for mods
- RT-880 is ~10W, color screen, wider RX (HF/SSB), more features

My use case:

- Mostly listening + occasional TX (ham bands once licensed)
- Possibly experimenting with antennas and learning radio basics

Questions:

- Which one is actually better in real use (RX quality, TX audio, reliability)?
- Is the extra power on the RT-880 noticeable or just marketing?
- How good is the HF/SSB reception on the RT-880 compared to a proper receiver?
- Any known issues with either (spurs, overheating, firmware bugs)?
- The GPS is worth having in such device?

Would you pick one of these or just go straight to something like a Yaesu/Icom?

Thanks.
>>
>>2984461
no thanks
>>
>>2984461
i have a UV K5 (99) (99 is basically 8 but with modified "stock" firmware)
after trying out a bunch of firmware, i put IJV 3.60 on it

if you plan on getting licensed, you will also be able to use the 2m band with it.
otherwise its PMR-only and even that its not made for because its too powerful (pmr: 0.5w max) but the chance that anyone cares is slim at the worst, non-existent at best.

you have some interesting firmware which includes spectrum analysers (they vary a lot from one firmware to another)
there are also messaging protocols on some firmware.
mostly though, its a very cheap radio but it has filters for 2m and 70cm bands so these are the two bands you will be able to use without getting in trouble due to spurious emissions (massive harmonics)

with IJV 3.6, i capture the airbands very well except the occasional AM signal which is so strong that it saturates the RX but mostly it works well.

the lack of filters for anything but 2m and 70cm means that you will pick up a bunch of noise and transmissions off frequencies even on RX and as i've said, just forget about TX on anything but 2m and 70cm,

if you like modding and soldering tiny pcbs with tiny capacitors, tiny resistors and tiny coils, then there is a hardware mod which allows you to do 10m,11m,12m bands but doing so means you sacrifice the 2m capability i think but that is arguably worth it because you get actual 11m RX and TX capability.
here is the mod: >>2982672


if nothing else, its a fun device to have ready in case you need VHF or UHF.
>>
>>2984461
in general, always look up any "harmonics test" videos you can find on youtube for whatever radio you want to buy, this tells you most of what you need to know about what you can use it for.
>>
die
>>
File: file.png (292 KB, 971x1078)
292 KB PNG
>>2984461
I got some UV-K5 or similar and put another firmware on it.
RT-880 is too complex and there's no real manual.
I bought a qansheng TK11 too, I kinda like it, the construction is sturdier, easy to program, I use it on UHF relays around . I like the simple LCD.
On all these radios I put a Diamond VHF/UHF antenna, like a RH 771, stock antennas are always shitty.
>>
I havent looked into the market for 10+ years and have no idea whats out there.

tl;dr I want a portable-base stationish-go box type deal for camping and other outdoor shit. I'm using a knock off baofeng portable radio now but I figure its time to upgrade the radio and battery.

The vast majority of my need is to talk to other frs walkie talkies. A 2m/70cm radio would do me fine, but I'm curious if nowadays there are any portables radios that can do any HF bands while also doing the 2m/70cm range.

Recommendations?
>>
>>2985196
and I'd also prefer something higher power, iirc there was one that checked my boxes years ago but its max output was 5w or so
>>
>>2985196
>if there are any portables radios that can do any HF bands while also doing the 2m/70cm range
None. One of the problems is the antenna size when on HF.
>>
>>2985212
They also don't use linear amplifiers but lower-loss amplifiers that only work well at specific frequencies. Getting such a design to work at 10 bands instead of 2 is a stretch. And they use chips that are only designed to transmit FM or CW, not AM or SSB.
Though I think there is a market for such a radio, definitely worse battery life and maybe bulkier too, but designed to be connected to makeshift long wire antennas tied between trees.
>>
>>2985212
I hope this is a bot reply because no way you can be this retarded
>>
>>2985252
Ntg but what HT does HF? The only one I know of is a Tokyo Hypower HT-750. I had one of these years ago when they came out. The 40m whip for it were terribly ineficient. I almost never used it or the 15m one.

>>2985218
>connected to makeshift long wire antennas tied between trees
That's what I did, just used a simple dipole. I did lament that the HT-750 didn't have 80m. But a buddy built a 5 watt 80m LSB radio that fit inside a Sucrets tin. It worked great for NVIS comms.
>>
>>2985403
I'm not sure how you think I'm wanting or expecting an ht to do hf
>>
>>2985212
>One of the problems is the antenna size when on HF.
I have a QMAC HF-90E connected to a QMAC manual antenna tuner and a collection of whip antennas:

2.5 - 10 MHz for a short blade whip
4 - 12.9 MHz for a medium fishing pole style whip
3.6 - 10 MHz for a long fishing pole style whip
2.7 - 3.6 MHz for a short extender connected to the above long whip.

That is not too awkward for a tactical radio kit.
The QMAC auto tuner provides even greater tunable ranges.
>>
>>2985475
Argh. That one's on me, Anon, sorry about that. I focused on your earlier statement about wanting a portable to do HF and my sleep deprived brain understood that as a hand-held unit to do HF.
>>
So, what kind of portable rig would /ham/ want? I think truSRD could be made a lot better and have the frequency range increased to to also include VHF.
>>
>>2985601
You mean the TruSDX? Shitty microcontroller, bulky relays, and the glorified CD4053 quadrature mixer is probably close to its switching limit at 10m. But those are all fixable, and potentially in a way thats cheaper than the original. It’s likely possible to replace the relays with JFETs or diodes or whatever you’d use to switch a HF signal. Because the MCU itself has to output the RF signal, the MCU’s clock speed is also a major limiting factor. I assume it shifts its clock with calibration registers for FM, but AM is puzzling, probably just changing pulse width however those class-E amps work, but surely that would be very resolution limited at 5MHz with a 20MHz clock. And SSB is a combination of both I think. Anyhow, to transmit on 144MHz instead of 5MHz, I suspect you’d need an MCU with a clock up into the hundreds of MHz, or to use a DDS IC like the Si5351 directly, not that I know if you could change the pulse-width from one of those. Best case you could run an ESP32 or (overclocked?) RP2040. Worst case you’d need to shell out for an STM32H7 or even an FPGA. The direct output topology just isn’t designed for higher output frequencies. You could bypass this and use a quadrature mixer for upconverting too, I assume this works for FM as well as AM.
>>
>>2985683
>You mean the TruSDX?
Yup, sorry about the typo.
>Shitty microcontroller, bulky relays, and the glorified CD4053 quadrature mixer is probably close to its switching limit at 10m. But those are all fixable, and potentially in a way thats cheaper than the original.
That was my guess. People are looking to start with the original and free design and make a better version but it is going slowly.
>It’s likely possible to replace the relays with JFETs or diodes or whatever you’d use to switch a HF signal.
Might get full break-in?
>Because the MCU itself has to output the RF signal, the MCU’s clock speed is also a major limiting factor. I assume it shifts its clock with calibration registers for FM, but AM is puzzling, probably just changing pulse width however those class-E amps work, but surely that would be very resolution limited at 5MHz with a 20MHz clock. And SSB is a combination of both I think.
Not sur ehow many use AM on HF bands, SSB is more popular.
>Anyhow, to transmit on 144MHz instead of 5MHz, I suspect you’d need an MCU with a clock up into the hundreds of MHz, or to use a DDS IC like the Si5351 directly, not that I know if you could change the pulse-width from one of those. Best case you could run an ESP32 or (overclocked?) RP2040.
RPitX does VHF, Si5351 seems less reliable on VHF bands. RP2350 might be a better solution since it has better IO.
>Worst case you’d need to shell out for an STM32H7 or even an FPGA. The direct output topology just isn’t designed for higher output frequencies. You could bypass this and use a quadrature mixer for upconverting too, I assume this works for FM as well as AM.
The RP2040 is used in a receiver heavily inspired by the TruSDX:
https://101-things.readthedocs.io/en/latest/breadboard_radio.html
https://101-things.readthedocs.io/en/latest/ham_transmitter.html
It has sufficient oumph for better waterfall display than the TruSDX.
>>
>>2985683
>or even an FPGA
I want to read up on this for use in /ham/. Trouble is, it is hard to know where to start, what tool to chose, what language (VHDL/Verilog) to use and also how many resources a, say, modulator would require in a FPGA. Any pointers?
>>
>>2985700
>People are looking to start with the original and free design and make a better version but it is going slowly
The software end might be worth keeping if the codebase is portable, the output network and input mixer are fine but halfway trivial, I'd be inclined to start from scratch.
With modern battery density, you could even go for an entirely linear amplifier while keeping a halfway decent battery life, instead of having a relay and a filter for every band. That said, being able to transmit without any band-specific filtration would require minimal harmonic distortion inherent to the modulation, i.e. DACs feeding I/Q mixers alongside sinusoidal clocks. In other words, a full-on (half)duplex SDR.
>Not sur ehow many use AM on HF bands, SSB is more popular
If you have the hardware to transmit SSB, you can also transmit AM with trivial software and hardware modifications, no reason not to include it. AM is what HF CB uses, so why not have it available.
>101-things pages
Neat stuff. I see for the transmitter he initially uses an I/Q quadrature mixer, but when designing the amplified version he adopts the same direct driving of the class-E. The use of an audio amplifier to feed the drain of the RF amplifying FET for amplitude modulation/variation also makes sense, makes me question even more how the TruSDX gets away without such a thing. It's fed right from the 5351, which can't do duty-cycle modulation, so it can only be pulse skipping to vary amplitude. But his common-source class-D without dead-time is scary, even if he didn't draw the PFET backwards.

>>2985706
Ask the three people on the microcontroller general, someone will probably respond in a week or so.
>>
>>2985502
Neat radio, i've never heard of them before now. I like the SELCAL function. I have to ask, how does the QMAC ease the strain on the antenna connector when using those longer HF whips?
>>
>>2985731
Yes, nice and remarkably compact kit, and comes in a rucksack. It is channel based which is a pain and my old version will brick itself were I to upload frequencies from a PC. The designer chose a 8051 processor since it is expected to be around forever. The software could definitely do with an upgrade.

I just measured, the longest whip is made up of 6 segments, each 48 cm long. The segments are probably made of glass fiber and will flex, and inside the elements carry a continuous metal wire. The lower end is mechanically fairly solid and is just screwed into the antenna tuner. I wouldn't want to walk around with this one but the blade whip can be bent a lot without damage.
>>
>>2985720
I'd also like a GPS receiver to calibrate the clock and the frequency. More schemes rely on precision timing than I first thought.
>>
>>2985842
> GPS receiver to calibrate
What is WWVB ?
>>
>>2986028
Inaccessible in much of the world.
Now, since you bring it up, I wonder if these are so precise that you could do multilateration if you could receive 3 time signals?
>>
File: transmitter-Amplifier.png (38 KB, 1052x744)
38 KB PNG
>>2985700
>https://101-things.readthedocs.io/en/latest/ham_transmitter.html
Just a follow-up. In the transitter (pic. related) the Class E makes hideous harmonics unless filtered. Here there is a very simple low pass filter plus a 2.nd harmonic notch. Would it be possible to series connect further haramonic notches to improve this further? And how wide are these notches?
I tried to find a book on notch filter compund designs with no luck.
>>
>>2986028
(tried psting but it fell off the net)
Are the time transmitters sufficiently precise that you could use them for multilateration? You would need to receive at least 3.
>>
>>2986088
>>2986145
>timing error less than 1 part in 10^ 12
Accurate enough for civilian needs, that's for sure.
>>
>>2985502
>I have a QMAC HF-90E connected to a QMAC manual antenna tuner
I am jealous, and angry they don't make that kind of equipment anymore
>>
>>2986708
And I am puzzled they haven't made an upgrade, say HF-91. Several parts could be improved and power efficiency could be improved.
The design is based on simplicity and components expected to be around for a long, long time and it works. The designer explains his thinking in a series of videos: https://www.youtube.com/@roderickmacduff795/videos
>>
>>2986766
>The designer explains his thinking in a series of videos
loved that, thank you
>>
>>2986784
I have about 25 MB of Q-MAC HF-90 info if you want. I'll return in about 12 hours to see if there is any interest.
And I am looking for info on the telegraphy option for that rig, I am beginning to suspect it works by sending an audio signal into the SSB chain as opposed to a true CW output.
>>
>>2986796
Neat radio, but I don't like the lack of a headphone jack. I'd want the MOSFET upgrade.
How much does an HF-90 weigh? I can't find any info on that. In fact a piece of sales literature gives temperature operating ranges where the weight is supposed to be specified.
>>
>>2986870
>How much does an HF-90 weigh
1kg apparently, from the video
>>2986796
>I have about 25 MB of Q-MAC HF-90 info if you want
That's nice of you but I doubt I'll ever get my hands on one as i am in yurop, I have seen one in the backpack with the manual antenna tuner and it sold in half a day.
>>
>>2986870
>Neat radio, but I don't like the lack of a headphone jack.
The wiring is documented so it is easy to make an interface yourself.
>I'd want the MOSFET upgrade.
Some receommend replacing the PA stage with IRF 830
>How much does an HF-90 weigh?
The catalogue states 1.55 kg
>I can't find any info on that. In fact a piece of sales literature gives temperature operating ranges where the weight is supposed to be specified.
The catalogue I have from 2008 states weight.

>>2986874
>That's nice of you but I doubt I'll ever get my hands on one as i am in yurop,
So am I and I bought it here.
>I have seen one in the backpack with the manual antenna tuner and it sold in half a day.
I have that plus a nice collectin of antennas. It is channel based so this one was for sale for a week or so before I pulled the trigger.
Feels good.
>>
File: HF90 weight.jpg (14 KB, 519x133)
14 KB JPG
>>2986903
>>2986874
Thanks for the weight clarification. It's definitely lighter than a buddies TenTec 555.
>>
File: inverted-v-chicken.png (276 KB, 1741x833)
276 KB PNG
I have a concrete balcony and tried making a inverted V antenna and thought it might work. I live in an apartement building 2nd floor. I also have an NGP antenna that with the correct wire length i get a SWR of 1. The inverted v gives me roughly an swr of 2 and performs MUCH better than the ngp antenna. I matched the length of the V with a nanoVNA (dip). Is there something else i miss here?

Also small tx mag loop link is dead.
>>
>calling frequency is dead
>repeaters are either silent or repeating some fm (88-108) station
>scanning across the band, and nothing
is 2m truly dead in my area? where are all the boomers at?
>>
so when do freebanders claim 20m as their own? i think its time to invade 20m. hamcucks barely use it and freechads needs living space and more stable propagation.

who is with me?
>>
>>2987740
>hamcucks barely use it
You have a shitty antenna.
>>
>>2987744
i didnt even try though. i just assumed.
>>
>>2974159

New Thread

>>2987813
>>2987813
>>2987813



[Advertise on 4chan]

Delete Post: [File Only] Style:
[Disable Mobile View / Use Desktop Site]

[Enable Mobile View / Use Mobile Site]

All trademarks and copyrights on this page are owned by their respective parties. Images uploaded are the responsibility of the Poster. Comments are owned by the Poster.