[a / b / c / d / e / f / g / gif / h / hr / k / m / o / p / r / s / t / u / v / vg / vm / vmg / vr / vrpg / vst / w / wg] [i / ic] [r9k / s4s / vip] [cm / hm / lgbt / y] [3 / aco / adv / an / bant / biz / cgl / ck / co / diy / fa / fit / gd / hc / his / int / jp / lit / mlp / mu / n / news / out / po / pol / pw / qst / sci / soc / sp / tg / toy / trv / tv / vp / vt / wsg / wsr / x / xs] [Settings] [Search] [Mobile] [Home]
Board
Settings Mobile Home
/g/ - Technology

Name
Options
Comment
Verification
4chan Pass users can bypass this verification. [Learn More] [Login]
File
  • Please read the Rules and FAQ before posting.
  • You may highlight syntax and preserve whitespace by using [code] tags.

08/21/20New boards added: /vrpg/, /vmg/, /vst/ and /vm/
05/04/17New trial board added: /bant/ - International/Random
10/04/16New board for 4chan Pass users: /vip/ - Very Important Posts
[Hide] [Show All]


[Advertise on 4chan]


File: array.jpg (180 KB, 1024x768)
180 KB
180 KB JPG
These are CPUs that run as fast as an analog circuit for the most part. They don't clock and step with other CPUs except for specialized purposes like IO. They are of course a million times faster and use a fraction of the electricity.
>>
With such a solution you can do many things with simple algorithms and small memory and cpu given the extreme speed of operation. It's worth a think. Greenarrays produces such a solution but there is very little interest because you have to program it in FORTH. Each CPU is given a certain amount of RAM and ports, they can be mostly dedicated to signal handling on behalf of CPUs that handle more of the logic, or be used to for example generate VGA signals. Or be useful as an ADC and scope.
>>
https://www.youtube.com/watch?v=0PclgBd6_Zs
>>
>>107564306
He went off the rails when he started talking about cyborgs.
>>
>>107564327
No he's dead on with his chips, forget the futurism. I have my Ga144 dev board all set up with Forthmacs, which is a distribution of not at all emacs, but a sort of IDE custom tailored to real-time development on the GA144. It takes up maybe, three quarters of the first chip on the dev board but there is a whole second chip there which provides a breakout breadboard for interfacing nearly anything DACs and ADCs, other CPUs, you name it.

The whole key is the 144's CPUs are free running unless you need to clock them to something (which they can do) for the purpose of say getting data into or out of them or passing it to a neighbor.

Free running. No clock. ASIC speed.
>>
>>107564357
No, he is bat shit cray if he thinks we are going to have phones in our eyeballs.
>>
Also note the chip, free running, can do 96 GIPS, 96 billion MIPS, which is like a whole rack of current day servers. At half a watt of power. But each CPU has like 1K of code and 1K of RAM or something small.

If they just need to talk to each other they can do so at this insane native ASIC speed. If they need to interface with a more conventional device they need a clock and appropriate interface on the outside, and probably at least one of the 144 CPUs to clock-down and buffer signals from the other chips to a RAM so that can talk to the external interface.

>>107564396
They already have that, ocular implants. His code runs on major telescopes, satellites, airplanes, missiles, this guy isn't just some fucking nut case lol. He's Chuck Moore.
>>
>>107564357
FPGAs can run without clocks if you ignore the tools and do manual placement.
So what?
>>
>don't listen to this crazy nutball who invented computers that run at the speed of an integrated circuit and you can buy one today from his company in wyoming

https://en.wikipedia.org/wiki/Charles_H._Moore
>>
>>107564425
FPGAs aren't CPUs, it's a different thing. They CAN be but these are intrinsically. They are both neat. There have been other tries at this, the SPARC Manycore for instance.
>>
I must say the Manycore was clocked like all modern multi-core or CPU designs. It's just so much easier that way. Free running is a CRAZY idea but it's super low power and it works today.
>>
>>107564244
>>107564357
How can you step without a clock?
>>
File: okay.gif (1015 KB, 200x200)
1015 KB
1015 KB GIF
>>107564415
>>
>>107564428
wtf
is this all there is?
fuck asm i wanna work with this now
>>
>>107564244
Thought it was a bastardized htop
>>
>>107564453
You don't need to "talk" to anything other than your neighbors who run at the same speed, which is the speed of silicon. If you want to talk to the outside world with this you need to dedicate one or maybe more of the computers in the mesh to basically, buffering output and then feeding it to a RAM so something like a normal computer could suck it off the PCI bus.

>>107564457
The Greenarrays dev kit is pretty cheap actually and with Forthmacs you can plug in a VGA monitor and a keyboard and be off and away. The idea being mainly to use it to make stand-alone "apps" for the other GA144 you get on the dev kit which is on the breadboard.

>>107564465
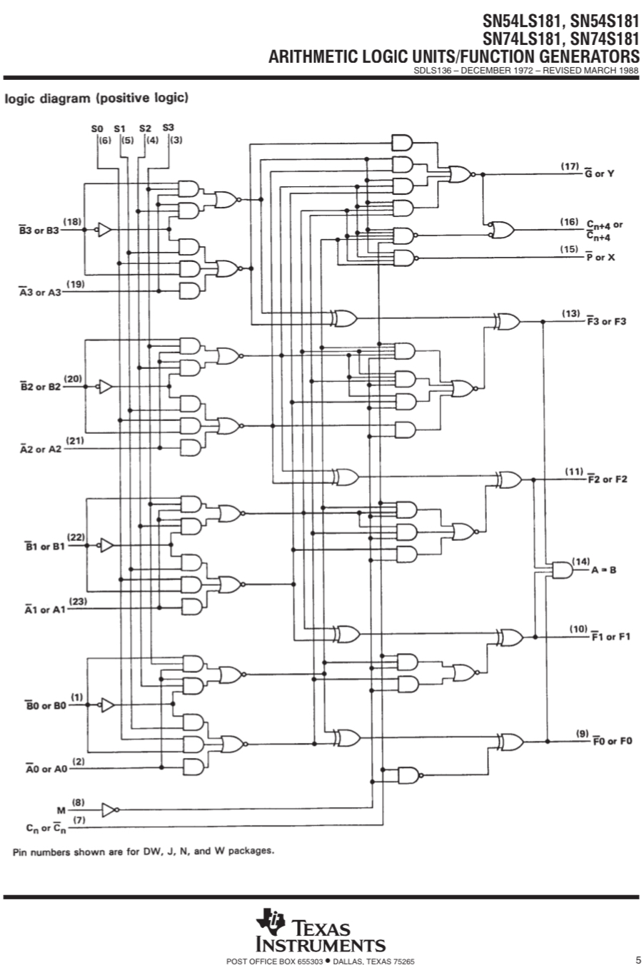
Each block shows the relevant CPUs in the mesh.
>>
>>107564481
Sound cool, what would be the real world benefits?
>>
>>107564481
>The Greenarrays dev kit is pretty cheap actually and with Forthmacs you can plug in a VGA monitor and a keyboard and be off and away.
based, ill have a look into it
if this guy's stuff is seriously as powerful and as energy efficient as he says
this is the future

<this is fucking autistic though
first thing ill be doing would be to write an assmbler for that
>>
>>107564493
Autonomous war machines
>>
>>107564244
We don't know how to make them worth a shit. DEC used to play with them in the 80s and it never panned out. They require very strict temperature regulation if you want performance.
>>
>>107564244
Welcome to the 70s!
>>
File: 1716812659641237.jpg (100 KB, 1280x719)
100 KB
100 KB JPG
>>107564244
The endgame for graph rewrite systems is likely a clockless cpuless architecture of nodes, but no such machine has been built yet, only parallel rewrite machines like norma or the reduceron
>>
>>107564524
It is the assembler basically.

Forth is the first OS/language that's used to bring up new CPU architectures. IN general.

>>107564553
>>107564569
Yes OK but it's here now. And this one little chip does 96 GPS at 5 mils. It's a rack of modern Intel or AMD CPUs worth of work per second. Per watt a thousandth as much.

>>107564652
We need a portable, user/developer home computer using these. Fuck industry and etc. Just think of the demos.
>>
>>107564455
>>
>>107564453
you cant and this is a weird schizo thread
>>107564425
there literally has to be some clocking mechanism in the transistors for an foga to do anything
>>
>>107564415
>Also note the chip, free running, can do 96 GIPS, 96 billion MIPS, which is like a whole rack of current day servers.
also note quantum computing also says it can do this

but never does
>>
>>107564453
>>107564694
you synchronize
...with blocking reads? from what i understand?
think how you would program kernels on a gpu
but with additional constraints
i really neg to get one of these computers, it sounds like alot of fun, and possibly a news frontier to settle
>>
>>107564743
>neg
wtf
*need
also *new frontier
>>
>>107564717
Quantum is different, you're dealing with probabilities and a sort of unit circle and rays which intersect what you hope is the solution, it's a whole different thing that is kind of a fusion of geometry and physics. You can buy the GA144 today, the chips are a couple bucks each but they're made in Wyoming! And the dev board is a couple hundred bucks. Which includes 2 chips plus a breadboard and other interfaces to make it useful. I recommend FORTHmacs but their official way is to use their Windows-based Array Forth simulator and "flash" the entire chip at once. Either way is good and you can play with it by downloading the simulator for free. But it of course runs a millionth the speed lol.
>>
>>107564694
> has to be some clocking
Of course. Nothing is entirely clocked or unclocked.
An (say) AMD processor has large (and getting larger) regions of unclocked logic. It a continuum of clockedness.
You can see this in the number of instructions that get to 1 clock cycle, and now you have multiple completions of multiple instructions in a singke clock. Eventually, even IDIV will come down to a single clock then they throw enough gates at it. It’s already come down by a factor of 10 from over 200 clocks to like 20.
Similarly, IBM has has unclocked I/O processors for 2 decades or more now.
>>
>>107564244
This looks like some kind of demonic spell. What the fuck is
fetch 15555 all io 55555
supposed to mean?
>>
>>107564694
>there literally has to be some clocking mechanism in the transistors for an foga to do anything
Transistors in a combinatorical logic circuit don't need a clock signal to work, something like a clock or synchronization pulse is necessary to latch the intputs/outputs of such a circuit tho
>>
>>107564846
It's making a picture from stored byte fields!
>>
>>107564761
I mean, the biggest power suck thing right now with investor dollars to spend is inverting 500gb matrices to guess words... transformer architecture. If these could do that, that would be a massive problem solved.
>>
this thing is basically a freely scalable turbo arduino
the whole forth part is actually making things harder than they need to be from what i read
https://www.greenarraychips.com/home/documents/index.php#architecture
>>
also for some reason this is completely comprehensible for me
either this shit is actually dead simple
or my brain just bends in unexpected directions

its really not hard
its just a bunch of asynchronous computing units
the hard part is that you have to orchestrate data/code transfers and such bc youre operating at a slightly lower level than asm.

this shits fascinating
>>
>>107564917
Forth is the easiest language.
>>
>>107565193
n
>>
they should probably make a demo that shows it actually performing useful computations at the speed they claim
>>
>>107565813
they dont claim their shit goes fast, they claim thir shit is a) very economical in energy
b) very flexible, actually
their """"computers"""" (i hate that term, its a computing unit, basically a core) kinda stack like legos
and thats the part of the code where you see positional data
the concept of grid etc

so the actual potential of this tech is massive parallelism, kinda like a gpu
but much, much more flexible because you operate at the microcode level
you could configure a core as pure passthrough, you could configure a core to drive a clock which you then use in another part of the system
you even have analog voltage inputs and outputs so youre not limited to binary values only
so you take the same architecture, and just add more or less cores
and you can reconfigure the hardware using software
like an fpga, but the architecture allows for better scalability, and more flexibility

so dont expect speed, its gonna perform like a gpu
and the biggest appeals are that the architecture is extremely flexible, its literally effing legos
and the promise of energy efficiency.
its whats put forward in the marketing materials of that guys company

https://www.greenarraychips.com/home/products/index.php
>>
File: 1595647064824.jpg (107 KB, 468x411)
107 KB
107 KB JPG
>>107564244
This thread is yet another example of /g/ being years (or in this case, decades) behind the rest of the world, and asking stupid questions as a result.
Clockless chips have always been as common as mud, but they don't really scale up to VLSI because they're harder to internally and externally synchronise.
This was figured out in the 1970s, and hence why we have clocked CPUs.
>>
>>107565908
okay but can it actually do anything and if so where are the demos?
>>
>>107566045
iunno
i have yet to play around with the actual chip
the whole things seems to be at the same stage cpus were in the 70s
their catalog/packaging makes me think of the apple 1
you get the chip, you got the specs, figure shit out
you can give 600 bucks for a development board + 2x 144-chips

i would. im strapped for cash atm but i would
>>
>>107564244
can you run soon on it
>>
>>107564840
if you do compute in analog then sure, but otherwise youre fooling yourself

anything based on transistors or binary has to be and thats all there is to it, even if all youre doing is timing matching instructions to memory operations, those both have their own maximum speeds

you ever notice how amd and intel processors have minimum and maximum clock speeds? that's because they do instruction dependent execution as is already. all current CPUs are clockless in the same way as you're describing; their master clock is higher and in sync with any delays from lower level logic eg, alus, registers, memory, ect.

anything using binary might as well be made out of marbles or plinko tokens
>>
>>107564455
It amazes me that anyone in tech would think a woman would have a correct idea.
>>
>>107566004
That's not being decades behind, that's being decades in front
>>
>>107564396
>No, he is bat shit cray if he thinks we are going to have phones in our eyeballs.
You will have them and you will be happy.
>he thinks it will be a choice
>>
>>107564244
>except for specialized purposes like IO
cringe

>>107564569
this faggot knows

>>107564453
you could use the input power's AC sine wave as a clock. not a reliable clock but similar shit. just multiply 50 or 60hz a bunch of times using complicated circuitry and use that as a timer reference instead of a crystal.
>>
>>107567724
>you could use the input power's AC sine wave as a clock. not a reliable clock but similar shit. just multiply 50 or 60hz a bunch of times using complicated circuitry and use that as a timer reference instead of a crystal.
But that's still a clock!
>>
>>107567728
they still need something like that to operate with the outside world otherwise cpu just runs forever without being able to communicate with the outside world, unless it has a crazy fast bus and peripheral chips operating at ghz speeds. this clockless cpu nonsense is just schizobabble.
>>
>>107567740
>cpu just runs forever without being able to communicate with the outside world
if thats the problem, the reads and writes are blocking
thats how synchronization is dealt with



[Advertise on 4chan]

Delete Post: [File Only] Style:
[Disable Mobile View / Use Desktop Site]

[Enable Mobile View / Use Mobile Site]

All trademarks and copyrights on this page are owned by their respective parties. Images uploaded are the responsibility of the Poster. Comments are owned by the Poster.