>write-only memory
>>107986221>read-only storage
>>107986221makes perfect sense. what part don't you understand?
>>107986221>write-only memory allocating nanobot
>>107986221thats how graphics works
>>107986221/dev/null
>>107986221Can be a register that does something when you write to it but doesn't store the data for future retrieval. Common in embedded
>>107987594But is a memory that isn't remembered really a memory?
>>107987613it's totally possible to have a write-only mapping of memory that's mapped as readable elsewhere !
DIVX, self destroying memory
>>107987613Maybe? Not sure if computer science has an answer for this semanticality. But if it has a memory address you can access, it's (part of) a memory
>>107987582Damn, never thought of it that way
Makes perfect sense once you know MMIO exists, but if you do you're too good for /g/.>>107987582Not write only.
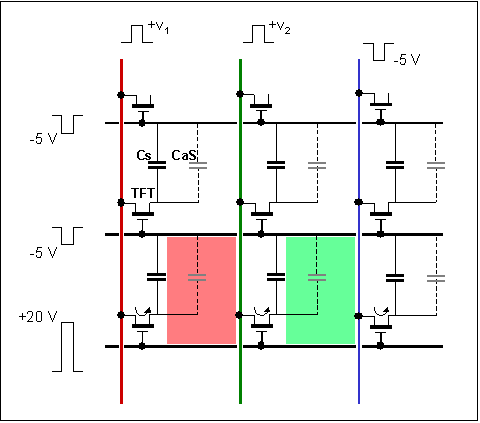
>>107986221An active-matrix TFT display quite literally is write-only memory.
>>107988421>Not write only.You read something out of it then. Go on.
>>107987613Remember that old arcade?We blew every dollar that we ever made.Cops hated us hanging out,they say someone went and burned it down.
>pseudo-random access memory
>>107988715I did, and it successfully returned EOF without setting errno or any stream error indicator.
>>107986221>DRAM cable car
>Her penis
>>107986221As long as I also can't delete it.
>>107986221>write-only memoryYes.
>>107988715nigga how tf do you think ssbo's work
>>107990882oops, intended for >>107987509
>>107986248are you one of those cunts who write on library books
>>107986248total ssd death