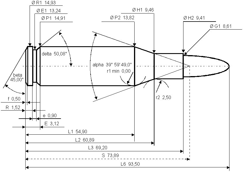
.338 Lapua MagnumDiscuss
>>65114591.300 PRC is better?
>>65114591expensive, i'd shoot it more if it wasn't though
>>65114591A practical and proven ELR cartridge that gets overshadowed by more powerful cartridges like .375 Cheytac, .408 Cheytac, .416 Barrett, etc. Furthermore, people who don't care about ELR are content with .300 WinMag or .300 PRC. Lastly, there is a push to replace .338 Lapua Magnum with .338 Norma Magnum in some circles.
nigger
It's Finnish so it's the best.
>>65114650Cheytac is gay lmfao what is with the .400+ calibers, is it for anti materiel?
Very good at defeating ceramic body armor, but .338 Norma does the same thing. There are no commercially available or even known currently manufactured plates able to defeat the latest .338LM or NM tungsten-core APs like AP529, Swiss P AP, M1154, M1162l, or M1214.>>65114674Even longer range plus even better AP, while trying to split the difference in weight between the .338s and .50s.
>>65114674>Cheytac is gay lmfaoThe owners are lame, but there is no denying that they were cementing themselves as the premium ELR company until the differences in leadership caused the people who make the ammo and the people who make the guns to break off into separate companies.>what is with the .400+ calibersThe lighter cartridges are moving faster at the muzzle and therefore shoot flatter (easier to shoot); the heavier cartridges retain their velocity better (inevitably shoot farther even if it takes more skill from the shooter).
>>65114591Very limited applications.Expensive.Technically inferior to the more expensive .338Norma Magnum.Still has greater support and availability than .338Norma Magnum.
>>65114761>Technically inferiorPlease elaborate on this statement.
>>65114770>Please elaborate on this statement.NTA, Lapua Magnum was so good that they made a modernized and more efficient cartridge, the .338 Norma for easier feeding on magazine-fed guns. It is beltess, has a better body taper, it fits standard long actions rather than needing a custom action that's longer, it can perform similarly in a barrel that's slightly shorter, etc. Norma Magnum is to Lapua Magnum what .308 is to low-power 30-06; some people will still benefit from 30-06, but for most people, the .308 serves them better.
>>65114770It's a small difference, but it mainly boils down to the case geometry of .338NM allowing for a more effective powder burn despite having a smaller capacity than .338LM..338NM is also rated for a higher maximum chamber pressure, but that's only really relevant for factory loaded ammo, and that shit is rarely ever loaded anywhere close to specified Max-P.The case geometry of .338LM does however have some advantages of its own, mainly related to feed geometry.
>>65114784>>65114794Clear winner. Thank you both.
>>65114591Neat round
>>65114591less gay than a bmw.
>>65114666This. Based TRG and TZD enthusiasts.
>>65114591I've seen it for sale. But the problem is reloading and needing to do it.
>>65115832>But the problem is reloading and needing to do it.IS OK TRG-42 MAGAZINE HOLD FIVE BULLET SO RELOADING IS BY SIMPLE ACTION OF THE BOLT HANDLE TO MAKE NEW ONE GO IN PIPE AND YOU DON'T REALLY NEED TO DO IT ANYWAY BECAUSE YOU HIT WITH .338 LAPUA AND DEER OR WILD PIG IS DEAD LIKE FUCK
>>65115840you full retard fuck
>>65114666based
>>65114666BasedT.totally not a fin this time
>>65114591>$5usd/rndFuck that.
>>65116484DON'T MISS THEN, CUNT
>>65116484That's the nature of ELR shooting. Some people just want to be able to hit targets at 1,300+ meters away
>>65114650>overshadowed by>meme shit that the layman never heard of
>>65118540>meme shit that the layman never heard ofEveryone in the ELR community has heard of the cartridges I mentioned.