How do I reduce the weight of conrods without making them too unreliable? I kinda sorta cracked a sleeve under boost, made just 2x the stock hp, and I suspect the reason for this is these mfs, each weigh 1.3 kg on a 1.5l engine.
>>28804488https://en.wikipedia.org/wiki/Lightening_holes
>>28804488use billet ones?
>>28804488wtf is this ? a steam engine ?If the weight of the conrod had anything to do with the cracked sleeve, its would be at high rev, not high boost
>>28804488You cracked a sleeve because it's a cheap little 1.5l, not because of component weight.
>>28804498There are no aftermarket parts for this engine. Closest fit is Alpha Romeo Giulia, but then I need different pistons and loose a bunch of compression>>28804499Well it was high rev AND high boost. More vibration due to higher hp or sum shit, idk>>28804504It has a forged crank and 280/280 cam right from the factory
>>28804488you buy better ones, duh, what kind of retard is grinding on stock rods unless you live in niggerland or something
>>28804553There are no aftermarket rods, but these withstand 15 tons in tension, the failure point being plastic deformation of conrod bolts-so theoretically even more, if better bolts are used
>>28804572what is the engine ? look really old to me
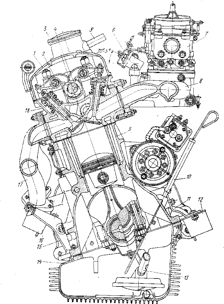
>>28804575Yup, entered production in 1967.Moskvich 1500
>>28804519>but then I need different pistonsNot necessarily if you either rebush the conrods or drill out the pistons for the 412 conrods and pins>and loose a bunch of compressionWhich might not be a bad thing if you're boosting.
>>28804579>Moskvich 1500So you ride this, but with a turbo ?plz anon send picsHow is the clutch holding ?You may look for similar sized, but more modern rods, or grind the rods, even though I've never heard of heavy rods breaking sleeve, but more like improper cylinder support
>>28804488Invent some kind of new alloy that somehow mixes aluminum and steel and titanium, doesn't have the no-fatigue-limit of alu, doesn't have the weight of steel, and doesn't have the brittleness of ti.>inb4 ti based ceramic+composite or some other wonder materialThey've been trying that shit for decades it's as real as solid state batteries that don't have plate separation and retain the high C discharge rate of lipo
>>28804596Sorry mate, I went to garage to take a pic for you but it's frozen shut with a centimetre of ice and since it's currently -16 I ain't unfreezing that shitOn your pic-that's an Izh 412IE. It was a good city car, before dirty hands of Zhiguli drivers got to it-no way in hell I'm trusting one with 140hp under the hood unless it literally has the factory tag still on Here's my fine shyt while it still was in a junkyard. Clutch is 3.6/5. It smelled a bit one time, but I consider this a good result for a part that was corroded shut and is 50 years old kekwI did find a combination that may work- Alpha Romeo Giulia rods and bmw b58 pistons, but the wide end of rods is 1mm too narrow, so I need some kind of spacer on both sides, pistons will stick out above the deck by ~0.3mm but without the dome I'll lose an unknown amount of compression (or gain? Chatgpt says it'll be up but it's a fucking retard so it's most likely the opposite)Balancing everything probably would help with sleeves cracking, but since I already disassembled the engine, might as well make everything lighter
>>28804606I did consider asking some research institute to calculate and forge new pistons and conrods, but minimal batch is 12 pcs each, and it costs more than 0 monies
>>28804488>blow-through on ancient shitAlmost certainly detonation and no, you won't necessarily hear it without some version of chassis ears with noise-canceled headphones.
>>28804774>Giulia rods and bmw b58 pistons>Moskvich what the fuck this sounds amazingDo it and post a video of it running and driving pls
>>28804774I'm also skeptical of the rods being the root cause here, are you certain your piston to wall clearance was set correctly before the failure? The issue strikes me as being more to do with axial thrust and hot spots in the cylinder wall than rotating mass issues
>>28804847I mean it was completely stock, so it may be also a) ring gap issueb) vibration due to how it was assembled, basically with no balancing>>28804845I'd do it yesterday if shipping wasn't 90 fucking euro while rods themselves are 10 each. Also, no idea what to do with the fact that they're 1mm too narrow
>>28804867You may be able to take up the slack with some kind of thin thrust washers, but 1mm is very small
>>28804867Also, what kind of RPM are you actually trying to spin this thing to? Where is the torque peak?
The whole hotrod industry started when bored WWII soldiers started modifying cars back home with the knowledge they gained from keeping lowest bid military equipment running.They'd compare piston size of engine X and rod length of engine Y and build a stroker with the crank from engine Z.Chances are theres off-the-shelf parts that will match up.
>>28804774>140hpnigga just casually squeezed BMW e36 pwr numbers outta 1960s soviet family car
>>28804488Don't jack around trying to lighten factory rods. Grind off any flash and get them shotpeened. Also, that has nothing to do with cracking a sleeve.
>>28804877I heard some people spinning it to 7k stock, so that's a reasonable target with beehive valve springs, machined valves, etc. Stock max power is at 5800, max torque at 3000-3800
>>28804488>How do I reduce the weight of conrods without making them too unreliable? Retard answer for a retard question: Generative topology design using LPBF-printed inconel 725, Print it oversized Hot isostatic pressHeat treatCnc finish all critical surfaces and dimensionsShot peen or chemically polish stress zones.Or if you really want to get crazy you use directional solidification to get a single grain structure connecting rod.
>>28805088>retard questionWhy tho?Grinding the rods is common practice
>>28805575It's as much art as machining.Its too easy to take off too much and turn a good rod into scrap steel.They have to be not only balanced overall but "regionally". If you took 2 rods and removed metal from the crank end on one and the piston end on the other, even if their total weight is the same they wont be balanced when in motion.
>>28805789Well for this reason these rods have a massive lump of steel on the narrow end, and triple that on the wide. Both untouched by the factory due to production quota being fkin 1 million units per year idk
>>28805789What if I use CNC? I know they are massively overbuilt, so we can assume 1mm from all sides will be ok. Make a 3d model, leaving some areas untouched, keeping everything smooth to not create fatigue prone areas
>>28805858You dont know what alloy it is, i.e. its actual strength. It might need that amount of steel to keep from folding itself into a katana.Look up specs on rod journal size, wrist pin and length. I guarantee theres something thats compatible off the shelf.The industry is standardized. They dont make bearings for one single engine. If they did they would need specific tooling every time something changed which is not cost effective.
>>28805575>Why tho?Because youre not gonna make your own connecting rods.I also dont understand why youre doing this on that engine when a k24 is like a dime a dozen and you can just use off the shelf parts for it.
>>28806057Maybe in the US, but not in europe.
>>28805575Crankshafts are balanced based on the weight of pistons and rods.Lightening the rods means the crank will have to be rebalanced.If OP cant afford custom parts then he cant afford custom work.This thread is a waste of time.
>>28806146That's where you are wrong matey. Custom parts are much more expensive than a box of beer